Kontaktformular
Whatsapp
Warenkorb
Hamburger Icon

Ersatzteile für Zanussi FE 1405 (91451504600)

Marke
Zanussi
Modell
FE 1405
Modellnummer
91451504600
Kategorie
Waschmaschine
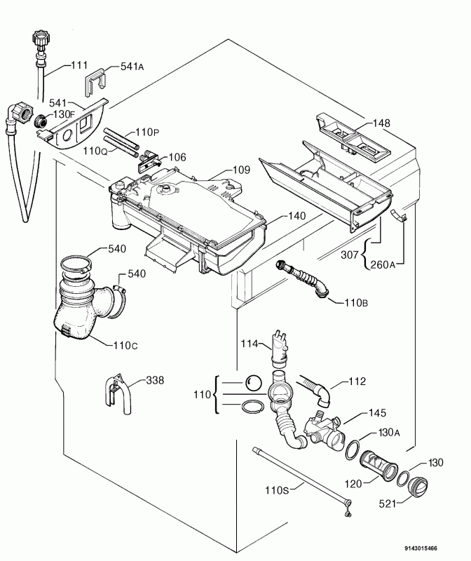
Position data Position number Product category ids
Ablaufpumpe wie AEG 132069901/8 Pumpenmotor für Waschmaschine Geschirrspüler
375627
Ablaufpumpe wie AEG 132069901/8 Pumpenmotor für Waschmaschine Geschirrspüler

AlternativTeil passend wie Electrolux-Konzern/AEG... 132069901/8
Magnettechnikpumpe 30 Watt mit Bajonettbefestigung
Solo-Pumpe ohne Pumpenstutzen. Mit Bajonettverschluss und Rast-5-Steckanschluss.
Förderhöhe 1 m.
220-240V / 30W / 50Hz
Anschluss: Rast-5-Stecker Laugenpumpe
5be304e4b1264abb899df2e434e01a2c,47067e90b5dc4b1d9f40bc3cdd7c85c3,3017057ce80b4d85aae42a1e4928e81a,f7c85175f6ae467f97c29a3ac25b679a
Kugellager 6206ZZ universal 30x62x16mm für Waschmaschine
154075
Kugellager 6206ZZ universal 30x62x16mm für Waschmaschine

Universal: Universell einsetzbarer Artikel. Bitte Maße vergleichen.
Passend u.a. wie BSH-Gruppe 00154813 , Electrolux-Konzern 3790800217 , 50269560004 , Gorenje 375710 , Küppersbusch 429135 , 429911 , Whirlpool-Gruppe 481252028004 , 482000026536 , 482000081857
Abbildung ähnlich. Qualitäts-Kugellager staubdicht, einzelverpackt.
Hinweis für Kugellager im Haushaltsgerätebereich:
In der Regel können
beidseitig offene Kugellager (ohne Zusatz, hier erkennt man auf beiden Seiten "Kugeln") und
einseitig geschlossene Kugellager (z. B. Zusatz: ...Z = eine Seite mit staubdichter Metallabdeckscheibe, andere Seite offen)
durch beidseitig geschlossene Kugellager (z. B. Zusatz: ..ZZ,..2Z..,2ZR etc. = beidseitig staubdichte Metallabdeckscheiben) ersetzt werden.
Die staubdichten Standard-Kugellager (z. B. Zusatz: ..ZZ etc. = beidseitig staubdichte Metallabdeckscheiben) können widerrum durch spritzwassergeschützte Kugellager (z. B. Zusatz: ..LLU,..LLB etc. = beidseitig spritzwassergeschütze, rote oder schwarze Kautschukabdichtungen) ausgetauscht werden. Lager
5be304e4b1264abb899df2e434e01a2c,47067e90b5dc4b1d9f40bc3cdd7c85c3,3017057ce80b4d85aae42a1e4928e81a,b1c3f05cfdb341e98ceb5b475e340059
Zulaufschlauch Aquastop 1,5m - Universal anwendbar für Waschmaschine & Geschirrspüler bis 90°C
600500

Wie Sie sich nie wieder um einen Wasserschaden in Ihrem Eigenheim Sorgen müssen

Wer schon einmal einen Wasserschaden in seinem Eigenheim hatte, der weiß, was das für Nerven kosten kann. Die Waschmaschine läuft aus, setzt die ganze Wohnung unter Wasser und alle Möbel sind durchnässt. Was viele nicht wissen ist, dass es einen ganz bestimmten Schlauch gibt, welcher für viele Versicherungen Voraussetzung für Schadensersatz bei einem Wasserschaden ist. 

Dieser Schlauch heißt Aquastopschlauch! Einer der häufigsten Gründe für einen Wasserschaden Deiner Spül- oder Waschmaschine ist die Undichte des Innenschlauches. Platzt dieser Schlauch, fließt das Wasser ungehindert raus und flutet Ihre Wohnung. Bei einem sogenannten Aquastop Schlauch schließt ein mechanischer Lecksensor das Ventil am Schlauchanfang. Somit wird verhindert, dass weiteres Wasser entweichen kann und Ihre Wohnung ist geschützt.  

 

Über das Produkt

  • Qualitativer Sicherheits-Zulaufschlauch / Aquastop-Schlauch
  • Passend für Waschmaschinen von Bosch, AEG, Miele
  • Verfügbare Längen: 1,5m // 2m // 2,5m // 3m // 4m
  • Sicherung vor Schlauchbruch bis 60 bar & 90°C
  • ¾” Zoll Anschluss (26mm)

 

Die Aquastopschläuche vom ersatzteilshop sind absolute Qualitätsprodukte, welche bereits vielen Kunden geholfen haben, Ihre Wohnung vor einem Wasserschaden zu bewahren. 

Anwendung:
Zuerst trennen Sie das Haushaltsgerät vom Netzstecker. Danach schließen Sie den Wasserzulauf an und drehen nun den bisherigen Schlauch am Gewinde gegen den Uhrzeigersinn vorsichtig ab & den neuen Aquastop Schlauch im Uhrzeigersinn fest. Bringen Sie jetzt den neuen Schlauch am Wasserzulauf an und sichern Sie ihn anschließend vorsichtig mit einer Zange. Schließen Sie Ihr Gerät jetzt wieder an den Strom an.

Wenn Sie auch Angst vor einer Überschwemmung in Ihrem Eigenheim haben, sollten Sie jetzt handeln und sich mit einem Aquastopschlauch schützen.

Ran ans Werk!

 
Schlauch,Schlauch
5be304e4b1264abb899df2e434e01a2c,436592444c584ad1b5a679fc5ac3ef73,275b77c77344470ea771c19b8b2780c9,47067e90b5dc4b1d9f40bc3cdd7c85c3,3017057ce80b4d85aae42a1e4928e81a,40ee0815bd1042dfa6b07fc66864eca1,9b40cbb94bff43dabac2f2dd6244b7e4
Lager-Wellendichtung 40,2x72x11/14 124966701/3 AEG, Electrolux, Juno, Zanussi
156354
Lagerwellendichtung wie AEG 124966701/3 40,2x72x11/14 für Waschmaschine

AlternativTeil passend u.a.wie Electrolux-Konzern/AEG.. 124966701/3
Passendes Zubehör:
Kugellager 6206ZZ Europart-Nr. 422875 und 6207ZZ Europart-Nr. 422876
ODER
Kugellager 6305ZZ Europart-Nr. 422879 und 6306ZZ Europart-Nr. 422880.
Z. T. passender Laufring (Trommelkreuz) Europart-Nr. 106481 oder Laufring 107102 oder Lagerkit (inkl. Laufring) Electrolux-Konzern-Nr. 407134869/4. Bitte auf Geräte-Nummern achten. Simmerring
5be304e4b1264abb899df2e434e01a2c,47067e90b5dc4b1d9f40bc3cdd7c85c3,3017057ce80b4d85aae42a1e4928e81a,225f81d67db8497e87a573e55f77847f
Stoßdämpfer 80N wie Electrolux 132255301/5 und Küppersbusch für Waschmaschine Waschtrockner
153798

Alternativteil Stoßdämpfer Rosa NW80 mit 11 mm Bohrung, eingesetzt in Waschmaschinen

Ausführung u.a. exakt wie Electrolux-Konzern/Zanker/Zanussi Herstellernummer: 132255301/5, EFS-Gruppe/Seppelfricke Herstellernummer: 615000481 und Küppersbusch Herstellernummer: 428972.

Diesen Stoßdämpfer können Sie in die im Menüpunkt "Passende Geräte" aufgeführten Geräte einsetzen. Auch wenn die Bauform wohlmöglich inzwischen etwas abweicht, ist das Ersatzteil passend.

Geprüfte Qualität, dieses Alternativteil entspricht der Herstellerqualität.

 
Stoßdämpfer
5be304e4b1264abb899df2e434e01a2c,47067e90b5dc4b1d9f40bc3cdd7c85c3,3017057ce80b4d85aae42a1e4928e81a,d168a21829554c57ace9afa89a5a20b4
Ablaufpumpe wie AEG 1320699018 Askoll für Waschmaschine
10102464
Ablaufpumpe wie AEG 1320699018 Askoll für Waschmaschine

AlternativTeil passend u.a. wie Electrolux-Konzern/AEG... 1320699018
Pumpenmotor mit Bajonettverschluss und Rast-5-Steckanschluss.
Diese Enleerungspumpe bzw. Laugenpumpe ist für Waschmaschinen, Waschtrockner sowie Geschirrspüler einsetzbar. Laugenpumpe
5be304e4b1264abb899df2e434e01a2c,47067e90b5dc4b1d9f40bc3cdd7c85c3,3017057ce80b4d85aae42a1e4928e81a,f7c85175f6ae467f97c29a3ac25b679a
Türverriegelung wie AEG 3792030425 Bitron für Waschmaschine
10104133
Türverriegelung wie AEG 3792030425 Bitron für Waschmaschine

AlternativTeil BLUPARTS passend u.a. wie Electrolux-Konzern/AEG.. 3792030425 , Küppersbusch 429873
Der elektrische Türverschluss sorgt dafür, dass die Tür der Waschmaschine während des Waschvorgangs verriegelt bleibt und erst nach einer bestimmten Verzögerungszeit geöffnet werden kann.
Die Verriegelung ist in der Frontladerwaschmaschine sowie im Waschtrockner eingebaut. Türverriegelung
5be304e4b1264abb899df2e434e01a2c,47067e90b5dc4b1d9f40bc3cdd7c85c3,3017057ce80b4d85aae42a1e4928e81a,0b590cb971884215b595b6ce022dd676
Flusensiebdichtung 55mmØ AEG 126061601/4 für Waschmaschine
152595
Flusensiebdichtung 55mmØ Waschmaschine AEG 126061601/4

OT: OriginalTeil Electrolux-Konzern/AEG.. 126061601/4. Flusensieb
5be304e4b1264abb899df2e434e01a2c,47067e90b5dc4b1d9f40bc3cdd7c85c3,3017057ce80b4d85aae42a1e4928e81a,4570b6d68fc14147a89770e2257b7bad
Bottichdichtung AEG 1240159036 für Waschmaschine Waschtrockner
152450
Bottichdichtung AEG 1240159036 für Waschmaschine Waschtrockner

Diese Laugenbehälterdichtung mit rundem Profil ist u.a. auch passend wie Küppersbusch 429816
Die ggfs. eingebaute graue Ausführung wird durch diese blaue Version ersetzt. Dichtung
5be304e4b1264abb899df2e434e01a2c,47067e90b5dc4b1d9f40bc3cdd7c85c3,3017057ce80b4d85aae42a1e4928e81a,8ef690f0cd54489baa7da8a0e19ec3db
Magnetventil 2-fach wie ZANUSSI 1249471051 180° 11,5mm+14,0mmØ für Waschmaschine Waschtrockner
172387

Magnetventil 2-fach wie ZANUSSI 1249471051 180° 11,5mm+14,0mmØ für Waschmaschine Waschtrockner

AlternativTeil passend u.a. wie Electrolux-Konzern/AEG.. 3792260725 , Küppersbusch 429864
Bauform: 180° gerade, Auslauf-Ø: 1 x 11,5 mm und 1 x 14,0 mm. Eine Seite Zulaufschlauch-Anschluss mit 3/4"-Gewinde.
Diese Ausführung mit grün / weißen Anschlussstutzen ist auch als Ersatz für die Version mit blau / grauen Anschlussstutzen passend.

Einlassventil
5be304e4b1264abb899df2e434e01a2c,47067e90b5dc4b1d9f40bc3cdd7c85c3,3017057ce80b4d85aae42a1e4928e81a,448edcf10e7244f193345c5fac802a16
Verriegelungsrelais AEG 3792030425 Bitron für Waschmaschine
152453
Verriegelungsrelais AEG 3792030425 Bitron für Waschmaschine

Bitte auf Gerätenummer und genaue Bitron-Relaisausführung achten. Türverriegelung
5be304e4b1264abb899df2e434e01a2c,47067e90b5dc4b1d9f40bc3cdd7c85c3,3017057ce80b4d85aae42a1e4928e81a,0b590cb971884215b595b6ce022dd676
Trommelrippe ZANUSSI 5025227100/7 für Waschmaschine Waschtrockner
153811
Trommelrippe ZANUSSI 5025227100/7 für Waschmaschine Waschtrockner

Wäschemitnehmer für die Waschtrommel. Trommelrippe
5be304e4b1264abb899df2e434e01a2c,47067e90b5dc4b1d9f40bc3cdd7c85c3,3017057ce80b4d85aae42a1e4928e81a,5e9ad7b5795a4e268414a90fd3c42915
Flusensiebeinsatz 132136811 AEG, Electrolux, Juno, Zanussi
152651
Flusensiebeinsatz AEG 132136811/8 für Waschmaschine Waschtrockner

Flusensieb
5be304e4b1264abb899df2e434e01a2c,47067e90b5dc4b1d9f40bc3cdd7c85c3,3017057ce80b4d85aae42a1e4928e81a,4570b6d68fc14147a89770e2257b7bad
Zulaufschlauchverlängerung gerade/gerade 2,5m 25°C, AT! Bauknecht, Whirlpool, Ik
154272
Zulaufschlauchverlängerung 2,5m 25°C universal für Waschmaschine Geschirrspüler

Universal: Universell einsetzbarer Alternativartikel. Bitte Maße vergleichen.
Grauer Gummischlauch zum Verlängern des vorhandenen Zulaufschlauchs. Dieser graue Verlängerungsschlauch für den Wasserzulauf bzw. Wassereinlauf, ist für Frontlader sowie Toplader Waschmaschinen, Waschtrockner sowie Spülmaschinen einsetzbar.
Hierbei wird die Seite mit der weißen 3/4 Zoll AG Kunststoffverschraubung in den bestehenden Wassereinlaufschlauch eingeschraubt. Bitte drauf achten, dass hierbei die Gummidichtung des vorhandenen Schlauchs übernommen oder erneuert werden muss.
- Länge: 2,50 m
- Anschlussverschraubungen: Kunstoff gerade 3/4" Außengewinde / Metall gerade 3/4" Innengewinde
- Metallverschraubung inklusive schwarzer Dichtung bzw. Dichtring
- 25° Kaltwasser
- Betriebsdruck: 20 bar
- Platzdruck: 90 bar Schlauch
5be304e4b1264abb899df2e434e01a2c,436592444c584ad1b5a679fc5ac3ef73,275b77c77344470ea771c19b8b2780c9,40ee0815bd1042dfa6b07fc66864eca1
Magnetventil 2-wege Bitron/ Elbi 33490033 für Waschmaschine Bitron/ Elbi
11050357
Magnetventil 2-wege Bitron/ Elbi 33490033 für Waschmaschine Bitron/ Elbi

Einlassventil
5be304e4b1264abb899df2e434e01a2c,47067e90b5dc4b1d9f40bc3cdd7c85c3,3017057ce80b4d85aae42a1e4928e81a,448edcf10e7244f193345c5fac802a16
Schlauch Einlaufschlauch 124968602 AEG, Electrolux, Juno, Zanussi
173935
Einlaufschlauch AEG 124968602/1 für Waschmaschine

Führt vom Bottich zum Waschmittelkasten. Schlauch
5be304e4b1264abb899df2e434e01a2c,47067e90b5dc4b1d9f40bc3cdd7c85c3,3017057ce80b4d85aae42a1e4928e81a,9b40cbb94bff43dabac2f2dd6244b7e4
Schraube für hinteres Ausgleichsgewicht, für Waschmaschinen (1249659028)
342408
Gehäuseteile
5be304e4b1264abb899df2e434e01a2c,47067e90b5dc4b1d9f40bc3cdd7c85c3,3017057ce80b4d85aae42a1e4928e81a,9ce6ec1135bc42c0bda211d7d24a82e1
Keilrippenriemen wie AEG 124021010/2 1200PJ6E elastisch für Waschmaschine Waschtrockner
152139

Keilrippenriemen wie AEG 124021010/2 1200PJ6E elastisch für Waschmaschine Waschtrockner

AlternativTeil Hutchinson 1200 PJ 6 E passend u.a. wie Electrolux-Konzern/AEG.. 124021010/2 132353100/2 BSH-Gruppe/Bosch/Siemens.. 00094070 Whirlpool-Gruppe/Bauknecht.. 481281718358 Indesit-Company C00377906 Küppersbusch 428909
Originalausführung: Europart-Nr. 305442 aus hellem Kunststoff.
Alternative: Europart-Nr. 013402 in schwarzer Ausführung, für Maschinen mit variabler Spannvorrichtung.
Hinweis: Bei elastischen Riemen ist die aufgedruckte Länge die durch Dehnung maximal erreichbare Länge.

Keilriemen
5be304e4b1264abb899df2e434e01a2c,47067e90b5dc4b1d9f40bc3cdd7c85c3,3017057ce80b4d85aae42a1e4928e81a,c6973c5c99594665af199b80db1c1ac7
Neuer Strahlfilter für Waschmaschinen 1321368118 Originalersatzteil von AEG
10033201

Neuer Strahlfilter für Waschmaschinen 1321368118 Originalersatzteil von AEG

Originalteil von AEG Neuer Strahlfilter für Waschmaschinen 1321368118

Sondersortiment
5be304e4b1264abb899df2e434e01a2c,47067e90b5dc4b1d9f40bc3cdd7c85c3,3017057ce80b4d85aae42a1e4928e81a,6e12ea5b52844b9fbd0ad93d68f839d0
Saugschlauch Electrolux 132072104/4 Ablaufschlauch mit Kugel für Waschmaschine
173652
Saugschlauch Electrolux 132072104/4 Ablaufschlauch mit Kugel für Waschmaschine

Führt vom Ablaufpumpengehäuse zur Luftkammer. Schlauch
5be304e4b1264abb899df2e434e01a2c,47067e90b5dc4b1d9f40bc3cdd7c85c3,3017057ce80b4d85aae42a1e4928e81a,9b40cbb94bff43dabac2f2dd6244b7e4
Bottichmantelschraube für Waschmaschinen (1322290105)
342913
Trommel
5be304e4b1264abb899df2e434e01a2c,47067e90b5dc4b1d9f40bc3cdd7c85c3,3017057ce80b4d85aae42a1e4928e81a,d558d6c246a542d8a1833e243fdbeb20
Türgriffsatz für Waschmaschinen (50277554007)
365079
Griff
5be304e4b1264abb899df2e434e01a2c,47067e90b5dc4b1d9f40bc3cdd7c85c3,3017057ce80b4d85aae42a1e4928e81a,4414c9d8ddf44ae69d18ab12822431b3
Zulaufschlauch wie Candy Hoover 92250869 Bluparts 10101302 für Trockner
614041
Zulaufschlauch wie Candy Hoover 92250869 Bluparts 10101302 für Trockner

Schlauch
5be304e4b1264abb899df2e434e01a2c,47067e90b5dc4b1d9f40bc3cdd7c85c3,3017057ce80b4d85aae42a1e4928e81a,9b40cbb94bff43dabac2f2dd6244b7e4
Kalkschutzvorrichtung Padoma 10099661 universal für Geschirrspüler Waschmaschine
10104314
Kalkschutzvorrichtung Padoma 10099661 universal für Geschirrspüler Waschmaschine

Schlauch
5be304e4b1264abb899df2e434e01a2c,436592444c584ad1b5a679fc5ac3ef73,275b77c77344470ea771c19b8b2780c9,40ee0815bd1042dfa6b07fc66864eca1
Bottichdichtung für Waschmaschinen 1240159036 Originalersatzteil von AEG
10033168

Bottichdichtung für Waschmaschinen 1240159036 Originalersatzteil von AEG

Originalteil von AEG Bottichdichtung für Waschmaschinen 1240159036

Sondersortiment
5be304e4b1264abb899df2e434e01a2c,47067e90b5dc4b1d9f40bc3cdd7c85c3,3017057ce80b4d85aae42a1e4928e81a,6e12ea5b52844b9fbd0ad93d68f839d0
Antriebsriemen für Waschmaschinen 1323531002 Originalersatzteil von AEG
10033170

Antriebsriemen für Waschmaschinen 1323531002 Originalersatzteil von AEG

Originalteil von AEG Antriebsriemen für Waschmaschinen 1323531002

Keilriemen
5be304e4b1264abb899df2e434e01a2c,47067e90b5dc4b1d9f40bc3cdd7c85c3,3017057ce80b4d85aae42a1e4928e81a,c6973c5c99594665af199b80db1c1ac7
Ablaufpumpen-Filterdeckel für Waschmaschinen 1320711003 Originalersatzteil von AEG
10033203

Ablaufpumpen-Filterdeckel für Waschmaschinen 1320711003 Originalersatzteil von AEG

Originalteil von AEG Ablaufpumpen-Filterdeckel für Waschmaschinen 1320711003

Sondersortiment
5be304e4b1264abb899df2e434e01a2c,47067e90b5dc4b1d9f40bc3cdd7c85c3,3017057ce80b4d85aae42a1e4928e81a,6e12ea5b52844b9fbd0ad93d68f839d0
Gabelanschluss Y-Verteiler für Zulaufschlauch BLUPARTS von Geschirrspüler
11038899
Gabelanschluss Y-Verteiler für Zulaufschlauch BLUPARTS von Geschirrspüler

AlternativTeil BLUPARTS Schlauch,Schlauch,Armaturen
5be304e4b1264abb899df2e434e01a2c,436592444c584ad1b5a679fc5ac3ef73,275b77c77344470ea771c19b8b2780c9,47067e90b5dc4b1d9f40bc3cdd7c85c3,3017057ce80b4d85aae42a1e4928e81a,40ee0815bd1042dfa6b07fc66864eca1,9b40cbb94bff43dabac2f2dd6244b7e4,c23fed9ffdcc4969a03af7b793755a00
Trommellager für Waschmaschinen (3790800308)
350021
Kugellager 6207 ZZ 35x72x17 Electrolux 3790800308 für Waschmaschine

Lager
5be304e4b1264abb899df2e434e01a2c,47067e90b5dc4b1d9f40bc3cdd7c85c3,3017057ce80b4d85aae42a1e4928e81a,b1c3f05cfdb341e98ceb5b475e340059
Schlauchklemme für Waschmaschinen (1240060002)
342116
Schlauchklemme/Schlauchschelle, D=64 1240060002

Gehäuseteile
5be304e4b1264abb899df2e434e01a2c,47067e90b5dc4b1d9f40bc3cdd7c85c3,3017057ce80b4d85aae42a1e4928e81a,9ce6ec1135bc42c0bda211d7d24a82e1
Stoßdämpfer für Waschmaschinen 3794303010 Originalersatzteil von AEG
10033226

Stoßdämpfer für Waschmaschinen 3794303010 Originalersatzteil von AEG

Originalteil von AEG Stoßdämpfer für Waschmaschinen 3794303010

Stoßdämpfer
5be304e4b1264abb899df2e434e01a2c,47067e90b5dc4b1d9f40bc3cdd7c85c3,3017057ce80b4d85aae42a1e4928e81a,d168a21829554c57ace9afa89a5a20b4
Türglas für Waschmaschinen 1108430107 Originalersatzteil von AEG
10033189

Türglas für Waschmaschinen 1108430107 Originalersatzteil von AEG

Originalteil von AEG Türglas für Waschmaschinen 1108430107

Tür
5be304e4b1264abb899df2e434e01a2c,47067e90b5dc4b1d9f40bc3cdd7c85c3,3017057ce80b4d85aae42a1e4928e81a,2a09b99a39c84203807b53a2581aa8b0
Magnetventil 2-fach Zanussi 1249471051 180° 12,0mm+14,0mmØ für Waschmaschine
605951
Magnetventil 2-fach Zanussi 1249471051 180° 12,0mm+14,0mmØ für Waschmaschine

Bauform: 180° gerade, Auslauf-Ø: 1 x 12,0 mm und 1 x 14,0 mm. Eine Seite Zulaufschlauch-Anschluss mit 3/4"-Gewinde.
Diese Ausführung mit grün / weißen Anschlussstutzen ersetzt ggfs. die Version mit blau / grauen Anschlussstutzen.
Dieses Elektroventil ist u.a. auch passend wie Küppersbusch 429864 Einlassventil
5be304e4b1264abb899df2e434e01a2c,47067e90b5dc4b1d9f40bc3cdd7c85c3,3017057ce80b4d85aae42a1e4928e81a,448edcf10e7244f193345c5fac802a16
Schraube, Trommelstern, M8x25, 5 H
342156
Schraube, Trommelstern, M8x25, 5 H

Trommel,Befestigung
5be304e4b1264abb899df2e434e01a2c,47067e90b5dc4b1d9f40bc3cdd7c85c3,3017057ce80b4d85aae42a1e4928e81a,4ed3fb404ba344a1be39c508e74545cb,d558d6c246a542d8a1833e243fdbeb20
e-basics Keilriemen wie AEG 1240210102 oder BSH 00094070 -1200PJ6E
602077

ersatzteilshop basics Keilrippenriemen wie AEG 124021010/2 1200PJ6E

  • Alternativ Teil Hutchinson 1200 PJ 6 E passend u.a. wie
  • Electrolux-Konzern/AEG 124021010/2 132353100/2
  • BSH-Gruppe/Bosch/Siemens 00094070
  • Whirlpool-Gruppe/Bauknecht 481281718358
  • Indesit-Company C00377906
  • Küppersbusch 428909
  • Originalausführung: Europart-Nr. 305442 aus hellem Kunststoff
  • Alternative: Europart-Nr. 013402 in schwarzer Ausführung, für Maschinen mit variabler Spannvorrichtung.

Hinweis: Bei elastischen Riemen ist die aufgedruckte Länge die durch Dehnung maximal erreichbare Länge.

Unser e-basics Keilriemen ist die ideale Lösung für alle, die ihre Waschmaschine reparieren oder den Riemen einfach austauschen möchten. Mit unserem hochwertigen Ersatzriemen in Top-Qualität kannst du deine Waschmaschine schnell und einfach wieder zum Laufen bringen.

Der e-basics Keilriemen ist eine passende Alternative für verschiedene Teilenummern, darunter AEG 1240210102 oder BSH 00094070 -1200PJ6E. Dieser Riemen zeichnet sich durch seine Langlebigkeit und Zuverlässigkeit aus, sodass du lange Freude an deiner Waschmaschine haben wirst.

Dank seiner präzisen Passform und einfachen Handhabung ist der Austausch des Keilriemens ein Kinderspiel. Du musst kein Experte sein, um deine Waschmaschine selbst zu reparieren – mit dem e-basics Keilriemen 1240210102 gelingt es dir im Handumdrehen.

Vertraue auf die Qualität von ersatzteilshop basics und sichere dir noch heute unseren e-basics Keilriemen für eine reibungslose Funktion deiner Waschmaschine. Bestelle jetzt und überzeuge dich selbst von der Leistungsfähigkeit unseres Produkts!

Keilriemen
5be304e4b1264abb899df2e434e01a2c,47067e90b5dc4b1d9f40bc3cdd7c85c3,3017057ce80b4d85aae42a1e4928e81a,c6973c5c99594665af199b80db1c1ac7
Zulaufschlauchverlängerung 3/8"x1,50m 3/4"x3/4" 50bar 39511
11007449
Zulaufschlauchverlängerung 3/8"x1,50m 3/4"x3/4" 50bar 39511

Schlauch
5be304e4b1264abb899df2e434e01a2c,47067e90b5dc4b1d9f40bc3cdd7c85c3,3017057ce80b4d85aae42a1e4928e81a,9b40cbb94bff43dabac2f2dd6244b7e4
Siebwasser-Ablaufschlauch (1320365057)
342832
Rohr, Wasserablauf, Sieb 1320365057

Schlauch
5be304e4b1264abb899df2e434e01a2c,47067e90b5dc4b1d9f40bc3cdd7c85c3,3017057ce80b4d85aae42a1e4928e81a,9b40cbb94bff43dabac2f2dd6244b7e4
Türsicherheitsvorrichtung Electrolux 1321444208 für Waschmaschine
342887
Türsicherheitsvorrichtung Electrolux 1321444208 für Waschmaschine

Türverriegelung
5be304e4b1264abb899df2e434e01a2c,47067e90b5dc4b1d9f40bc3cdd7c85c3,3017057ce80b4d85aae42a1e4928e81a,0b590cb971884215b595b6ce022dd676
Trommellagerdichtung für Waschmaschinen 1249667013 Originalersatzteil von AEG
10033199

Trommellagerdichtung für Waschmaschinen 1249667013 Originalersatzteil von AEG

Originalteil von AEG Trommellagerdichtung für Waschmaschinen 1249667013

Simmerring
5be304e4b1264abb899df2e434e01a2c,47067e90b5dc4b1d9f40bc3cdd7c85c3,3017057ce80b4d85aae42a1e4928e81a,225f81d67db8497e87a573e55f77847f
Filterdichtung für Waschmaschinen 1260616014 Originalersatzteil von AEG
10033202

Filterdichtung für Waschmaschinen 1260616014 Originalersatzteil von AEG

Originalteil von AEG Filterdichtung für Waschmaschinen 1260616014

Sondersortiment
5be304e4b1264abb899df2e434e01a2c,47067e90b5dc4b1d9f40bc3cdd7c85c3,3017057ce80b4d85aae42a1e4928e81a,6e12ea5b52844b9fbd0ad93d68f839d0
Dampfentlüftungsschlauch für Waschmaschinen 1322899004 Originalersatzteil von AEG
10033234

Dampfentlüftungsschlauch für Waschmaschinen 1322899004 Originalersatzteil von AEG

Originalteil von AEG Dampfentlüftungsschlauch für Waschmaschinen 1322899004

Sondersortiment
5be304e4b1264abb899df2e434e01a2c,47067e90b5dc4b1d9f40bc3cdd7c85c3,3017057ce80b4d85aae42a1e4928e81a,6e12ea5b52844b9fbd0ad93d68f839d0
Feder für Bottich 124019560 AEG, Electrolux, Juno, Zanussi
173639
Feder ZANUSSI 124019560/0 für Bottich Waschmaschine

Je Gerät sind 2 Stück eingebaut.
Eine Seite ist am Rahmen der Waschmaschine eingehangen, die andere Seite am Bottich.
Macht die Waschmaschine zuviel Lärm oder vibriert unnormal, so kann dies z.B. an diesen Federn liegen. Trommel
5be304e4b1264abb899df2e434e01a2c,47067e90b5dc4b1d9f40bc3cdd7c85c3,3017057ce80b4d85aae42a1e4928e81a,d558d6c246a542d8a1833e243fdbeb20
Kugellager 6207ZZ universal 35x72x17mm für Waschmaschine
154076
Kugellager 6207ZZ universal 35x72x17mm für Waschmaschine

Universal: Universell einsetzbarer Artikel. Bitte Maße vergleichen.
Abbildung ähnlich. NTN bzw. SNR Qualitäts-Kugellager staubdicht, einzelverpackt.
Hinweis für Kugellager im Haushaltsgerätebereich:
In der Regel können
beidseitig offene Kugellager (ohne Zusatz, hier erkennt man auf beiden Seiten "Kugeln") und
einseitig geschlossene Kugellager (z. B. Zusatz: ...Z = eine Seite mit staubdichter Metallabdeckscheibe, andere Seite offen)
durch beidseitig geschlossene Kugellager (z. B. Zusatz: ..ZZ,..2Z..,2ZR etc. = beidseitig staubdichte Metallabdeckscheiben) ersetzt werden.
Die staubdichten Standard-Kugellager (z. B. Zusatz: ..ZZ etc. = beidseitig staubdichte Metallabdeckscheiben) können widerrum durch spritzwassergeschützte Kugellager (z. B. Zusatz: ..LLU,..LLB etc. = beidseitig spritzwassergeschütze, rote oder schwarze Kautschukabdichtungen) ausgetauscht werden. Lager
5be304e4b1264abb899df2e434e01a2c,47067e90b5dc4b1d9f40bc3cdd7c85c3,3017057ce80b4d85aae42a1e4928e81a,b1c3f05cfdb341e98ceb5b475e340059
Schraube für Riemenscheibe Electrolux 5191350270 für Waschmaschine
354766
Schraube für Riemenscheibe Electrolux 5191350270 für Waschmaschine

Gehäuseteile
5be304e4b1264abb899df2e434e01a2c,47067e90b5dc4b1d9f40bc3cdd7c85c3,3017057ce80b4d85aae42a1e4928e81a,9ce6ec1135bc42c0bda211d7d24a82e1
Zulaufschlauch 1,5m 25°C universal für Waschmaschine Geschirrspüler
280634
Zulaufschlauch 1,5m 25°C universal für Waschmaschine Geschirrspüler

Zulaufschlauch gerade/Winkel 1,5m 25°C
Endstücke: gerade/gewinkelt, 25°C Kaltwasser, für Wasch- und Spülmaschinen.
- mit fertig angepressten Verschraubungen, davon 1 abgewinkelt und 1 gerade
- mit 2 Innengewinden 3/4 und Dichtung
- für Kaltwasseranschluss (25°C)
- 1/2 x 1500 mm Schlauch
5be304e4b1264abb899df2e434e01a2c,436592444c584ad1b5a679fc5ac3ef73,275b77c77344470ea771c19b8b2780c9,40ee0815bd1042dfa6b07fc66864eca1
Kugellager SKF 6207ZZ wie Candy 49029947 für Waschmaschine 6207 ZZ
613875
Kugellager SKF 6207ZZ wie Candy 49029947 für Waschmaschine 6207 ZZ

Lager
5be304e4b1264abb899df2e434e01a2c,47067e90b5dc4b1d9f40bc3cdd7c85c3,3017057ce80b4d85aae42a1e4928e81a,b1c3f05cfdb341e98ceb5b475e340059
Riemenscheibe, Set, Kunststoff (4055191383)
351757
Riemenscheibe Electrolux 4055191383 für Waschmaschine

Keilriemen
5be304e4b1264abb899df2e434e01a2c,47067e90b5dc4b1d9f40bc3cdd7c85c3,3017057ce80b4d85aae42a1e4928e81a,c6973c5c99594665af199b80db1c1ac7
Tastenschalter 1-fach Ein/Aus AEG Electrolux 124927140/2 für Geschirrspüler
153785
Tastenschalter 1-fach AEG 124927140/2

OT: OriginalTeil Electrolux-Konzern/AEG.. 124927140/2. Schalter
5be304e4b1264abb899df2e434e01a2c,47067e90b5dc4b1d9f40bc3cdd7c85c3,3017057ce80b4d85aae42a1e4928e81a,cfec0ee819664c928718d0485ee7a09f
Kugellager 62062ZC3 Whirlpool 481252028004 für Waschmaschine
394582
Kugellager 62062ZC3 Whirlpool 481252028004 für Waschmaschine

Whirlpool-Gruppe/Bauknecht.. 481252028004 Indesit-Company/Indesit.. C00314732 Lager
5be304e4b1264abb899df2e434e01a2c,47067e90b5dc4b1d9f40bc3cdd7c85c3,3017057ce80b4d85aae42a1e4928e81a,b1c3f05cfdb341e98ceb5b475e340059
Flusensiebdeckel AEG 132071100/3 für Waschmaschine
152622
Flusensiebdeckel AEG 132071100/3 für Waschmaschine

Flusensieb
5be304e4b1264abb899df2e434e01a2c,47067e90b5dc4b1d9f40bc3cdd7c85c3,3017057ce80b4d85aae42a1e4928e81a,4570b6d68fc14147a89770e2257b7bad
LagerWellendichtung AEG 124966701/3 40,2x72x11/14 für Waschmaschine
152518
Lagerwellendichtung AEG 124966701/3 40,2x72x11/14 für Waschmaschine

Passendes Zubehör:
Kugellager 6206ZZ Europart-Nr. 422875 und 6207ZZ Europart-Nr. 422876
ODER
Kugellager 6305ZZ Europart-Nr. 422879 und 6306ZZ Europart-Nr. 422880.
Z. T. passender Laufring (Trommelkreuz) Europart-Nr. 106481 oder Laufring 107102 oder Lagerkit (inkl. Laufring) Electrolux-Konzern-Nr. 407134869/4. Bitte auf Geräte-Nummern achten. Simmerring
5be304e4b1264abb899df2e434e01a2c,47067e90b5dc4b1d9f40bc3cdd7c85c3,3017057ce80b4d85aae42a1e4928e81a,225f81d67db8497e87a573e55f77847f
Zulaufschlauch für Waschmaschinen - 1500mm (1325115911)
358600
Zulaufschlauch gerade/Winkel 1,5m Electrolux 1325115911 für Geschirrspüler

Schlauch
5be304e4b1264abb899df2e434e01a2c,47067e90b5dc4b1d9f40bc3cdd7c85c3,3017057ce80b4d85aae42a1e4928e81a,9b40cbb94bff43dabac2f2dd6244b7e4
Filterklappe für Waschmaschinen (1320726019)
342847
Siebklappe, Sockel, P63 "OV" 1320726019

Gehäuseteile
5be304e4b1264abb899df2e434e01a2c,47067e90b5dc4b1d9f40bc3cdd7c85c3,3017057ce80b4d85aae42a1e4928e81a,9ce6ec1135bc42c0bda211d7d24a82e1
Einspülschalenoberteil Electrolux 124014629/8 für Waschmaschine Waschtrockner
152549
Einspülschalenoberteil Electrolux 124014629/8 für Waschmaschine Waschtrockner

Einspülkammer
5be304e4b1264abb899df2e434e01a2c,47067e90b5dc4b1d9f40bc3cdd7c85c3,3017057ce80b4d85aae42a1e4928e81a,44417ff6a51145f7afbb070133b7521b
Rohr, Ventil, Wanne, D=10 L=14 (1247342643)
342346
Rohr, Ventil, Wanne, D=10 L=148 1247342643

Einlassventil,Schlauch
5be304e4b1264abb899df2e434e01a2c,47067e90b5dc4b1d9f40bc3cdd7c85c3,3017057ce80b4d85aae42a1e4928e81a,448edcf10e7244f193345c5fac802a16,9b40cbb94bff43dabac2f2dd6244b7e4
Ablaufschlauch Winkel/gerade 21/19mmØ 2,95m für Waschmaschine 124088121/7
338753
Ablaufschlauch Winkel/gerade 21/19mmØ 2,95m für Waschmaschine
speziell für Waschmaschinen - Endstücke: gewinkelt/gerade -

Originalteil: Electrolux-Konzern/AEG 124088121/7
Inklusive Schlauchschelle an dem abgewinkelten Endstück.
Info: Es ist besonders auf den Durchmesser des Endstücks zu achten, das im Geräteinneren angeschlossen wird.

Schlauch
5be304e4b1264abb899df2e434e01a2c,47067e90b5dc4b1d9f40bc3cdd7c85c3,3017057ce80b4d85aae42a1e4928e81a,9b40cbb94bff43dabac2f2dd6244b7e4
Ablaufpumpe Electrolux 4055255451 für Waschmaschine Electrolux
11039071
Ablaufpumpe Electrolux 4055255451 für Waschmaschine Electrolux

Laugenpumpe
5be304e4b1264abb899df2e434e01a2c,47067e90b5dc4b1d9f40bc3cdd7c85c3,3017057ce80b4d85aae42a1e4928e81a,f7c85175f6ae467f97c29a3ac25b679a
Pflegemittelsiphon für Waschmaschinen (1246136079)
342288
Syphon, Zusatzstoffe, 3SC. 1246136079

Einspülkammer
5be304e4b1264abb899df2e434e01a2c,47067e90b5dc4b1d9f40bc3cdd7c85c3,3017057ce80b4d85aae42a1e4928e81a,44417ff6a51145f7afbb070133b7521b
Waschmaschinenfuß (komplett) (1321364018)
342882
Gehäuseteile
5be304e4b1264abb899df2e434e01a2c,47067e90b5dc4b1d9f40bc3cdd7c85c3,3017057ce80b4d85aae42a1e4928e81a,9ce6ec1135bc42c0bda211d7d24a82e1
Scharnierdekorplatte für Waschmaschinen (1320160615)
342825
Gehäuseteile
5be304e4b1264abb899df2e434e01a2c,47067e90b5dc4b1d9f40bc3cdd7c85c3,3017057ce80b4d85aae42a1e4928e81a,9ce6ec1135bc42c0bda211d7d24a82e1
Ablaufwannen-Magnetspule für Waschmaschine (1249474147)
342402
Schlauch
5be304e4b1264abb899df2e434e01a2c,47067e90b5dc4b1d9f40bc3cdd7c85c3,3017057ce80b4d85aae42a1e4928e81a,9b40cbb94bff43dabac2f2dd6244b7e4
Heizelement-Haltefeder für Waschmaschinen (1247825100)
342357
Haltefeder, Heizwiderstand 1247825100

Heizstab
5be304e4b1264abb899df2e434e01a2c,47067e90b5dc4b1d9f40bc3cdd7c85c3,3017057ce80b4d85aae42a1e4928e81a,dc188fd68f2d4dd4996b22e98c6c53e9
Ausgleichsgewicht für Waschmaschinen (3794100168)
350047
Gehäuseteile
5be304e4b1264abb899df2e434e01a2c,47067e90b5dc4b1d9f40bc3cdd7c85c3,3017057ce80b4d85aae42a1e4928e81a,9ce6ec1135bc42c0bda211d7d24a82e1
Hinterer Türrahmen für Waschmaschinen (1320184706)
358513
Türrahmen
5be304e4b1264abb899df2e434e01a2c,47067e90b5dc4b1d9f40bc3cdd7c85c3,3017057ce80b4d85aae42a1e4928e81a,a6c271f8a6a54524b0359755fb20615b
Türscharnier für Waschmaschinen (1320044058)
342803
Türscharnier
5be304e4b1264abb899df2e434e01a2c,47067e90b5dc4b1d9f40bc3cdd7c85c3,3017057ce80b4d85aae42a1e4928e81a,8c5eb626d0244a9d99aa45be368bd12b
Bein, Hinten, Starr (1240976058)
342215
Gehäuseteile
5be304e4b1264abb899df2e434e01a2c,47067e90b5dc4b1d9f40bc3cdd7c85c3,3017057ce80b4d85aae42a1e4928e81a,9ce6ec1135bc42c0bda211d7d24a82e1
Trommelrippe für Waschmaschinen 50252271007 Originalersatzteil von AEG
10033196

Trommelrippe für Waschmaschinen 50252271007 Originalersatzteil von AEG

Originalteil von AEG Trommelrippe für Waschmaschinen 50252271007

Trommelrippe
5be304e4b1264abb899df2e434e01a2c,47067e90b5dc4b1d9f40bc3cdd7c85c3,3017057ce80b4d85aae42a1e4928e81a,5e9ad7b5795a4e268414a90fd3c42915
HALTER 1245320005 Originalersatzteil von AEG
10033227

HALTER 1245320005 Originalersatzteil von AEG

Originalteil von AEG HALTER 1245320005

Electrolux ungepflegt
5be304e4b1264abb899df2e434e01a2c,2191fbdc920b4a25af306eb17d62adc0,c56d9a32f06b426584727cb2b08a0cf8
Schraube vorderes Gegengewicht für Waschmaschinen (1326589015)
343209
Gehäuseteile
5be304e4b1264abb899df2e434e01a2c,47067e90b5dc4b1d9f40bc3cdd7c85c3,3017057ce80b4d85aae42a1e4928e81a,9ce6ec1135bc42c0bda211d7d24a82e1
Zulaufschlauch 1,5m 25°C universal Puteus 39510 für Waschmaschine
11007303
Zulaufschlauch 1,5m 25°C universal Puteus 39510 für Waschmaschine

Universal: Universell einsetzbarer Alternativartikel Puteus 39510 . Bitte Maße/Werte vergleichen.
1,5 langer 3/8 Zoll Wasserzulaufschlauch mit verpressten Anschlüssen, einseitig gerade Verschraubung Innengewinde 3/4 Zoll, einseitig Kunststoff-Winkelverschraubung Innengewinde 3/4 Zoll. Beidseitig mit schwarzen Gummidichtungen. Platzdruck 50 bar.
Der Wassereinlaufschlauch ist in der Waschmaschine oder im Waschtrockner am Magnetventil (befindet sich meist oben, links hinten), außerhalb der Maschine am Wasserhahn bzw. am Auslaufventil eingeschraubt. An der Spülmaschine sitzt dieser meist hinten rechts. Schlauch
5be304e4b1264abb899df2e434e01a2c,47067e90b5dc4b1d9f40bc3cdd7c85c3,3017057ce80b4d85aae42a1e4928e81a,9b40cbb94bff43dabac2f2dd6244b7e4
Kugellager 6206ZZ universal für Waschmaschine
10104283
Kugellager 6206ZZ universal für Waschmaschine

Universal: Universell einsetzbares BLUPARTS AlternativTeil. Bitte Maße / Aufdrucke vergleichen.
Staubdicht, beidseitig mit Metallabdeckscheibe Lager
5be304e4b1264abb899df2e434e01a2c,47067e90b5dc4b1d9f40bc3cdd7c85c3,3017057ce80b4d85aae42a1e4928e81a,b1c3f05cfdb341e98ceb5b475e340059
Magnetventil 2-fach ZANUSSI 3792260725 180° 11,5mm+14,0mmØ für Waschmaschine
152526

Magnetventil 2-fach ZANUSSI 3792260725 180° 11,5mm+14,0mmØ für Waschmaschine

Bauform: 180° gerade, Auslauf-Ø: 1 x 11,5 mm und 1 x 14,0 mm
Eine Seite Zulaufschlauch-Anschluss mit 3/4"-Gewinde.

Einlassventil
5be304e4b1264abb899df2e434e01a2c,47067e90b5dc4b1d9f40bc3cdd7c85c3,3017057ce80b4d85aae42a1e4928e81a,448edcf10e7244f193345c5fac802a16
Vorderer Waschmaschinenfuß (1245264310)
342272
Gehäuseteile
5be304e4b1264abb899df2e434e01a2c,47067e90b5dc4b1d9f40bc3cdd7c85c3,3017057ce80b4d85aae42a1e4928e81a,9ce6ec1135bc42c0bda211d7d24a82e1
Ablaufpumpe AEG 1326630009 Askoll für Waschmaschine
152479
Ablaufpumpe AEG 1326630009 Askoll für Waschmaschine

Magnettechnik 25 Watt Solo-Pumpe ohne Pumpenstutzen, mit Bajonettbefestigung. Laugenpumpe
5be304e4b1264abb899df2e434e01a2c,47067e90b5dc4b1d9f40bc3cdd7c85c3,3017057ce80b4d85aae42a1e4928e81a,f7c85175f6ae467f97c29a3ac25b679a
Türmanschette, AT! 132004105 AEG, Electrolux, Juno, Zanussi
156352
Türmanschette wie ZANUSSI 132004105/4 für Waschmaschine

AlternativTeil passend wie Electrolux-Konzern/AEG.. 132004105/4 , Küppersbusch 435957
Material: EPDM-Qualität
mit Löchern zur Entwässerung (komplette Rückseite) Dichtung
5be304e4b1264abb899df2e434e01a2c,47067e90b5dc4b1d9f40bc3cdd7c85c3,3017057ce80b4d85aae42a1e4928e81a,8ef690f0cd54489baa7da8a0e19ec3db
Zulaufschlauchverlängerung gerade/gerade 1,5m 25°C, AT! Bauknecht, Whirlpool, Ik
154271
Zulaufschlauchverlängerung 1,5m 25°C universal für Waschmaschine Geschirrspüler

Universal: Universell einsetzbarer Alternativartikel. Bitte Maße vergleichen.
Grauer Gummischlauch zum Verlängern des vorhandenen Zulaufschlauchs. Dieser graue Verlängerungsschlauch für den Wasserzulauf bzw. Wassereinlauf, ist für Frontlader sowie Toplader Waschmaschinen, Waschtrockner sowie Spülmaschinen einsetzbar.
Hierbei wird die Seite mit der weißen 3/4 Zoll AG Kunststoffverschraubung in den bestehenden Wassereinlaufschlauch eingeschraubt. Bitte drauf achten, dass hierbei die Gummidichtung des vorhandenen Schlauchs übernommen oder erneuert werden muss.
- Länge: 1,50 m
- Anschlussverschraubungen: Kunstoff gerade 3/4" Außengewinde / Metall gerade 3/4" Innengewinde
- Metallverschraubung inklusive schwarzer Dichtung bzw. Dichtring
- 25° Kaltwasser
- Betriebsdruck: 20 bar
- Platzdruck: 90 bar Schlauch
5be304e4b1264abb899df2e434e01a2c,436592444c584ad1b5a679fc5ac3ef73,275b77c77344470ea771c19b8b2780c9,40ee0815bd1042dfa6b07fc66864eca1
Keilrippenriemen 1200PJ6EL AEG 124021010/2 für Waschmaschine Waschtrockner
153799

Keilrippenriemen 1200PJ6EL AEG 124021010/2 für Waschmaschine Waschtrockner

Passend auch als Ersatz für Riemen 1195PJ6, 1200PJ5E Electrolux 132353100/2.
Alternativen: Europart-Nr. 013376 aus hellem Kunststoff.
Europart-Nr. 013402 in schwarzer Ausführung für Maschinen mit variabler Spannvorrichtung.
Hinweis: Bei elastischen Riemen ist die aufgedruckte Länge die durch Dehnung maximal erreichbare Länge.

Keilriemen
5be304e4b1264abb899df2e434e01a2c,47067e90b5dc4b1d9f40bc3cdd7c85c3,3017057ce80b4d85aae42a1e4928e81a,c6973c5c99594665af199b80db1c1ac7
ersatzteilshop.de
4.9
Trustpilot Rating
basierend auf 8475 zertifizierten Bewertungen von zufriedenen Kunden
powered by Google and Trustpilot
Heinz-Werner Engels
Heinz-Werner Engels vor 3 Wochen
Super schnelle Lieferung des so viel preisgünstigeren Alternativ-Ersatzteils. Austausch gut geklappt. Das Ventil passt einwandfrei, eine gute und günstige Reparatur unserer alten Waschmaschine. Meine Frau ist wieder happy.
Bernd Ungethüm
Bernd Ungethüm vor 2 Wochen
Sehr schnelle und gute Lieferung. Kohlefilter mit Rahmen 00460478 passt perfekt zu Unterbauhaube von Bosch DHS 630S entgegen der Aussage im Onlineshop. Bin sehr zufrieden. Paket kam leider vor der Versandinformationen. Aber besser so als Umgekehrt. Werde mir noch 2 reine Kohlefilter bestellen. Firma ist sehr empfehlenswert.
Alexander W.
Alexander W. vor 3 Monaten
Es muss nicht immer alles aus dem Amazonas kommen. Auf der Suche nach einer neuen Laugenpumpe für meine Waschmaschine bin ich auf den Ersatzteilshop aufmerksam geworden. Produktnummern, Modelle, etc. wurden gut sortiert und übersichtlich aufgeführt, sodass ich selbst als Laie mit hoher Zuverlässigkeit ein passendes Ersatzteil auswählen konnte. Der Versand lief reibungslos und schnell mit DHL. Bereits nächsten Tag kam das Paket und die Waschmaschine läuft wieder. Ich bin sehr zufrieden und freue mich, dass so ein tolles Angebot sogar aus meiner Heimat kommt. Hätte ich das vorher gesehen, wäre ich einfach persönlich vorbei gekommen. 🤣 Danke für euer tolles Angebot.
Ganevs
Ganevs vor 3 Monaten
Hätte nicht erwartet, für einen ü20 Jahre alten Backofen von Bauknecht noch passende Ersatzteile zu bekommen. Bin hier fündig geworden, das Ersatzteil (Bedieneinheit) passt, der Backofen hat keine Macken mehr. Top! Versand und Kommunikation auch sehr gut! Danke!
Lars Kreimendahl
Lars Kreimendahl vor einer Woche
Die Ersatzteile lassen sich auf der Webseite mit Hilfe des Typenschildes kinderleicht finden. Im Warenkorb lässt sich ebenso nochmals ein Abgleich vornehmen. Die Lieferung erfolgte innerhalb weniger Tage. Der Einbau war etwas fummelig aber mit Geduld gut machbar. Die Installationsvideos helfen a den benötigten Stellen.
Mehr ansehen >
Trustpilot
Trustpilot Rating
Hervorragend
4.9/5.00