Kontaktformular
Whatsapp
Warenkorb
Hamburger Icon

Ersatzteile für REX TT 8 E (91184701900)

Marke
REX
Modell
TT 8 E
Modellnummer
91184701900
Kategorie
Geschirrspüler
Position data Position number Product category ids
Türdichtung Electrolux 152740100/2 Schürzendichtung unten für Geschirrspüler
152460

Türdichtung unten Electrolux 152740100/2 Schürzendichtung für Geschirrspüler

Türdichtung
5be304e4b1264abb899df2e434e01a2c,436592444c584ad1b5a679fc5ac3ef73,275b77c77344470ea771c19b8b2780c9,916ee1c443ef40e4851d064c573dca26
Geschirrkorb unten ZANUSSI 140133729099 für Geschirrspüler
10034318

UNTERER KORB,GRAU,524X5151X100 140133729099 Originalersatzteil von AEG

Originalteil von AEG UNTERER KORB,GRAU,524X5151X100 140133729099

Geschirrkorb
5be304e4b1264abb899df2e434e01a2c,436592444c584ad1b5a679fc5ac3ef73,275b77c77344470ea771c19b8b2780c9,dc70c27085934cb5acc4cd088fc0a361
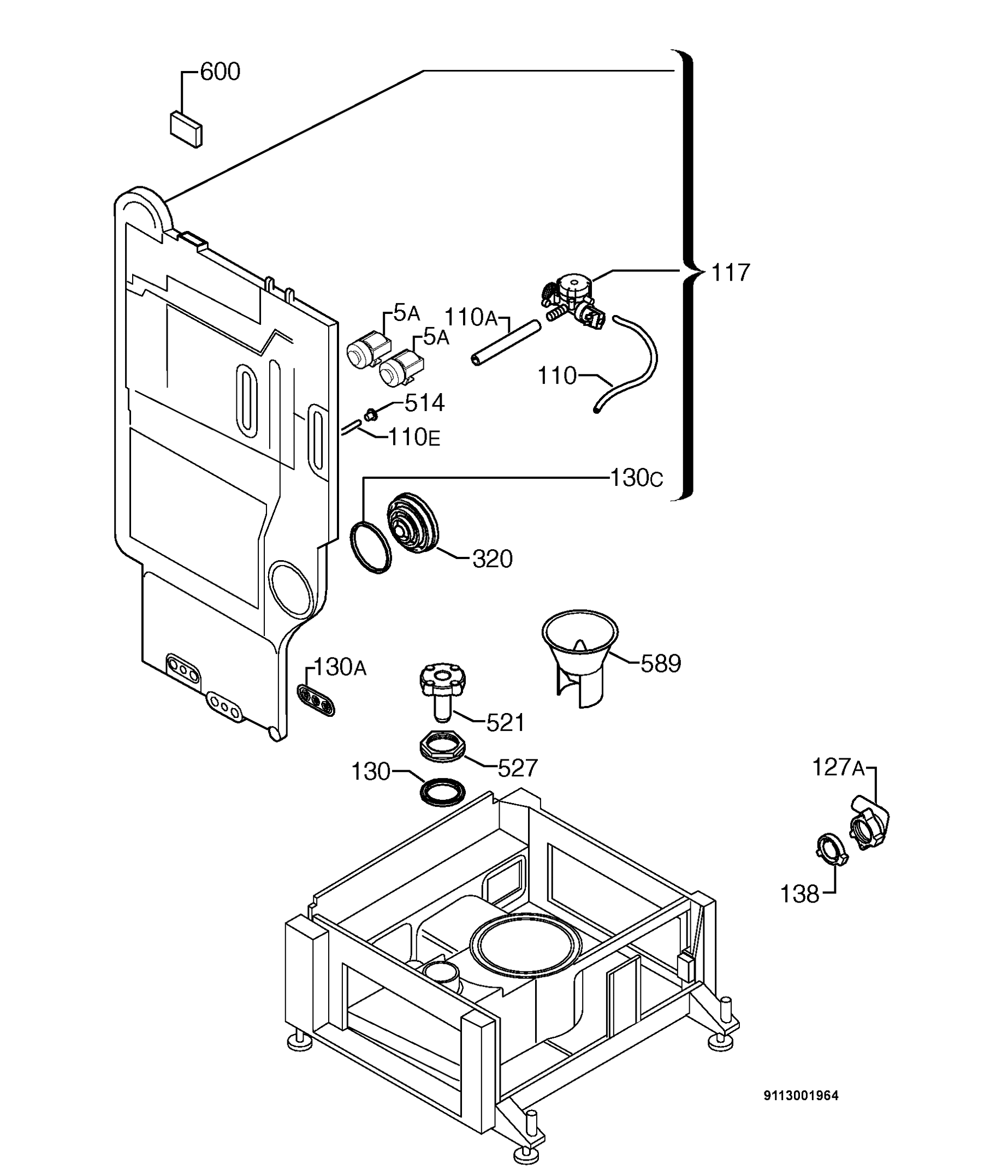
Dosierkombination, OT! 407135813 AEG, Electrolux, Juno, Zanussi, EFS Gruppe
173543
Dosierkombination AEG 407135813/1 für Geschirrspüler

Für AEG-Geräte ab 1984.
Passender Deckel für Reinigerfach siehe Electrolux-Nr. 400607802/8
Hinweis: Klarspülkammerdeckel Europart-Nr. 106370 ist nur für die alte Ausführung passend, da bei der neuen Ausführung die Dichtung in der Klappe integriert ist. Dosierkammer
5be304e4b1264abb899df2e434e01a2c,436592444c584ad1b5a679fc5ac3ef73,275b77c77344470ea771c19b8b2780c9,51d1adca2c4b4c208fb873979695daf0
Türdichtung Electrolux 117126544/8 dreiseitig für Geschirrspüler 1171265026
341648
Türdichtung Electrolux 117126544/8 dreiseitig für Geschirrspüler

Dieses Ersatzteil passt exakt wie das Vorgänger-Teil mit der Herstellernummer 1171265026

Türdichtung,Dichtungen
5be304e4b1264abb899df2e434e01a2c,436592444c584ad1b5a679fc5ac3ef73,275b77c77344470ea771c19b8b2780c9,3e9cf2ee74bd425fac13ec3e5bed7e89,916ee1c443ef40e4851d064c573dca26
Spülmaschinen-Systempflege Hotrega 250ml 110310
154936

Systempflege HOTREGA H110310 für Geschirrspüler 250ml

Spezialprodukt für intensive Sauberkeit und optimalen Werterhalt.
- Wirksam gegen Kalk, Fett und Ablagerungen aller Art
- Schützt vor Funktionsstörungen
- Für perfekte Hygiene und optimalen Werterhalt
Wirksame Systempflege mit innovativer 3-fach-Formel:
1. Hochaktive Reinigungskomponenten ent fernen mühelos und nachhaltig Kalk, Fett, unangenehme Gerüche und Ablagerungen aller Art.
2. Spezielle Korrosionsinhibitoren schützen die Metallteile in der Maschine.
3. Langzeit-Pflegestoffe halten die Gummiteile dauerhaft elastisch.
Regelmäßige Anwendung (alle 1–2 Monate) sichert eine perfekte energiesparende Leistung der Maschine und optimale Spülergebnisse.
Anwendung:
1. Filtersieb der Maschine reinigen.
2. Etikett vom Verschluss der Flasche abziehen, aber Verschluss nicht aufdrehen.
3. Flasche mit Verschluss nach unten standsicher in den Besteckkorb stellen.
4. Spülmaschine ohne Geschirr und Geschirr-Reiniger mit Normalprogramm bei 65 °C in Betrieb nehmen.
Der Inhalt der Flasche ist ausreichend für eine Anwendung.

Spülmaschinenreiniger
5be304e4b1264abb899df2e434e01a2c,436592444c584ad1b5a679fc5ac3ef73,275b77c77344470ea771c19b8b2780c9,e04f850016cb4b58bdde2847db9b5c59
Korbrolle ZANUSSI 5028696600/2 für Oberkorb Geschirrkorb Geschirrspüler
152625
Korbrolle ZANUSSI 5028696600/2 für Oberkorb Geschirrkorb Geschirrspüler

Dunkelgraue ersetzt weiße und hellgraue Ausführungen. Passend u.a. auch wie Küppersbusch 426346 , EFS-Gruppe 615007503
Korbrollenset mit 8 Stück siehe Europart-Nr. 107517. Korbrollen
5be304e4b1264abb899df2e434e01a2c,436592444c584ad1b5a679fc5ac3ef73,275b77c77344470ea771c19b8b2780c9,450633de653e4f9da61d6353aa2de5a4
Türdichtung unten wie Electrolux 152740100/2 Schürzendichtung für Geschirrspüler
399474

Türdichtung unten wie Electrolux 152740100/2 Schürzendichtung für Geschirrspüler

Alternativteil exakt passend wie Herstellernummer Electrolux-Konzern/AEG: 152740100/2
und
Küppersbusch 425712

Geprüfte Qualität, dieses Alternativteil entspricht der Herstellerqualität.

 

Türdichtung
5be304e4b1264abb899df2e434e01a2c,436592444c584ad1b5a679fc5ac3ef73,275b77c77344470ea771c19b8b2780c9,916ee1c443ef40e4851d064c573dca26
Salzeinfülltrichter AEG 14004429501/6 für Geschirrspüler 1172107300
10004170

Salzeinfülltrichter AEG 14004429501/6 für Geschirrspüler

Diese Einfüllhilfe für das Salz ist u.a. auch passend wie Küppersbusch 434959 , Fagor Brandt 31X9840


Dieses Ersatzteil passt exakt wie das Vorgänger-Teil mit der Herstellernummer 1172107300

Zubehör,Salzbehälter
5be304e4b1264abb899df2e434e01a2c,436592444c584ad1b5a679fc5ac3ef73,275b77c77344470ea771c19b8b2780c9,5ae60379a8ad4940a07e4c25cb127c70,e3df607a8730419d92d273dd5fd68b86
Türschloss passend für AEG 4055283925 BLUPARTS in Geschirrspüler 10105669
11030107
Türschloss passend für AEG 4055283925 BLUPARTS in Geschirrspüler 10105669

AlternativTeil BLUPARTS u.a. passend für Electrolux-Konzern/AEG.. 4055283925 , Küppersbusch 425742 , Fagor Brandt 32X0762 Türschloss
5be304e4b1264abb899df2e434e01a2c,436592444c584ad1b5a679fc5ac3ef73,275b77c77344470ea771c19b8b2780c9,56ef51792b4f42aab29cae33f433612e
Heizelement 2100W 230V, AT! 5024938100 AEG, Electrolux, Juno, Zanussi
156345
Heizelement 2100W 230V wie Electrolux 5024938100/0 für Geschirrspüler

AlternativTeil, passend wie Electrolux-Konzern/AEG.. 5024938100/0
Inklusive Flanschkralle. Heizelement
5be304e4b1264abb899df2e434e01a2c,436592444c584ad1b5a679fc5ac3ef73,275b77c77344470ea771c19b8b2780c9,1c35d1dd9f3c49b5a64535a632fbcdf9
Korbrolle wie ZANUSSI 5028696600/2 für Oberkorb Geschirrkorb Geschirrspüler
375541
Korbrolle wie ZANUSSI 5028696600/2 für Oberkorb Geschirrkorb Geschirrspüler

Alternativteil: passend u.a. wie Electrolux-Konzern/Zanussi 5028696600/2 , Küppersbusch 426346 , EFS-Gruppe 615007503.
Dunkelgraue ersetzt weiße und hellgraue Ausführungen.

Korbrollen
5be304e4b1264abb899df2e434e01a2c,436592444c584ad1b5a679fc5ac3ef73,275b77c77344470ea771c19b8b2780c9,450633de653e4f9da61d6353aa2de5a4
Magnetventil 1-fach 90° 11,0mmØ wie Electrolux 1520233006 für Geschirrspüler
614420
Magnetventil 1-fach 90° 11,0mmØ wie Electrolux 1520233006 für Geschirrspüler

AlternativTeil BLUPARTS passend u.a. wie Electrolux-Konzern/AEG.. 1520233006 , EFS-Gruppe/Seppelfricke.. 615015924 , Küppersbusch 426747 Magnetventil
5be304e4b1264abb899df2e434e01a2c,436592444c584ad1b5a679fc5ac3ef73,275b77c77344470ea771c19b8b2780c9,5e7747f201f9403da8ffbb5186d3c28b
Tastenschalter 1-fach 5028747300 AEG, Electrolux, Juno, Zanussi, EFS Gruppe
152461
Tastenschalter Ein/Aus ZANUSSI 5028747300/8 für Geschirrspüler

Dieser Hauptschalter bzw. Netzschalter ist u.a. auch passend wie Küppersbusch 426232
Anschlüsse: 6 Stück Schalter
5be304e4b1264abb899df2e434e01a2c,436592444c584ad1b5a679fc5ac3ef73,275b77c77344470ea771c19b8b2780c9,a093451999a4484290e5b99d6ab41327
Türschloss AEG 4055283925 für Geschirrspüler
157111
Türschloss AEG 4055283925 für Geschirrspüler

Passend u.a. auch wie Küppersbusch-Nr. 425742 , Fagor Brandt 32X0762 Türschloss
5be304e4b1264abb899df2e434e01a2c,436592444c584ad1b5a679fc5ac3ef73,275b77c77344470ea771c19b8b2780c9,56ef51792b4f42aab29cae33f433612e
Türschraubensatz für Geschirrspüler (50253377001)
353776
Schrauben Electrolux 50253377001 für Geschirrspüler 2Stk

Kit, Stütze, Aussenblech, 2 pz. 4, 6x13 Tür
5be304e4b1264abb899df2e434e01a2c,436592444c584ad1b5a679fc5ac3ef73,275b77c77344470ea771c19b8b2780c9,b3a18cc8734147fcaa878cba5c92088e
Heizelement 2100W 230V, OT! 5024938100 AEG, Electrolux, Juno, Zanussi 1520166354
152446
Heizelement 2100W 230V Electrolux 50249381000 für Geschirrspüler

OT: Electrolux-Konzern/AEG.. 5024938100/0
Inklusive Flanschkralle.

Dieses Ersatzteil passt exakt wie das Vorgänger-Teil mit der Herstellernummer 1520166354

Heizelement
5be304e4b1264abb899df2e434e01a2c,436592444c584ad1b5a679fc5ac3ef73,275b77c77344470ea771c19b8b2780c9,1c35d1dd9f3c49b5a64535a632fbcdf9
Düse für unteren Geschirrspüler-Sprüharm (1523172102)
344902
Düse Zanussi 152317210/2 für Sprüharm unten Geschirrspüler 1523172102

Sprüharm
5be304e4b1264abb899df2e434e01a2c,436592444c584ad1b5a679fc5ac3ef73,275b77c77344470ea771c19b8b2780c9,8a26d46fbdc34633b4fe038be27b486c
Obere Halterung für Geschirrspüler 1172870014 Originalersatzteil von AEG
10032223

Obere Halterung für Geschirrspüler 1172870014 Originalersatzteil von AEG

Originalteil von AEG Obere Halterung für Geschirrspüler 1172870014

Zubehör
5be304e4b1264abb899df2e434e01a2c,436592444c584ad1b5a679fc5ac3ef73,275b77c77344470ea771c19b8b2780c9,5ae60379a8ad4940a07e4c25cb127c70
Türverriegelung für Geschirrspüler (komplett) (1113150609)
341231
Türschloss mit Mikroschalter Electrolux 1113150609 für Geschirrspüler

Wie Verschluss 405525966/9 aber ohne Hinweiszettel. Türschloss
5be304e4b1264abb899df2e434e01a2c,436592444c584ad1b5a679fc5ac3ef73,275b77c77344470ea771c19b8b2780c9,56ef51792b4f42aab29cae33f433612e
Geschirrkorb, Boden, Set, Grey+HA (4055385498)
364499
GESCHIRRKORB, BODEN, SET, GREY+HA

Geschirrkorb
5be304e4b1264abb899df2e434e01a2c,436592444c584ad1b5a679fc5ac3ef73,275b77c77344470ea771c19b8b2780c9,dc70c27085934cb5acc4cd088fc0a361
Düse für unteren Geschirrspüler-Sprüharm 1523171104 Originalersatzteil von AEG
10032970

Düse für unteren Geschirrspüler-Sprüharm 1523171104 Originalersatzteil von AEG

Originalteil von AEG Düse für unteren Geschirrspüler-Sprüharm 1523171104

Sprüharm
5be304e4b1264abb899df2e434e01a2c,436592444c584ad1b5a679fc5ac3ef73,275b77c77344470ea771c19b8b2780c9,8a26d46fbdc34633b4fe038be27b486c
Türscharnierset für Geschirrspüler (50286441006)
354289
Kit, Türscharnier, rechts-links, DIVA-45/60-D/F 50286441006

Türscharnier
5be304e4b1264abb899df2e434e01a2c,436592444c584ad1b5a679fc5ac3ef73,275b77c77344470ea771c19b8b2780c9,8c476ac1fee2492eac0ace43254db03a
Drucktaste für Geschirrspüler, grau (1521064707)
344825
Taste Electrolux 1521064707 für Geschirrspüler

Bedienteil
5be304e4b1264abb899df2e434e01a2c,436592444c584ad1b5a679fc5ac3ef73,275b77c77344470ea771c19b8b2780c9,6930dd2ea7744e0eaca3dce9b44bb0d4
Dichtgummi Ablaufkanal für Geschirrspüler 1523119012 Originalersatzteil von AEG
10032213

Dichtgummi Ablaufkanal für Geschirrspüler 1523119012 Originalersatzteil von AEG

Originalteil von AEG Dichtgummi Ablaufkanal für Geschirrspüler 1523119012

Sondersortiment
5be304e4b1264abb899df2e434e01a2c,436592444c584ad1b5a679fc5ac3ef73,275b77c77344470ea771c19b8b2780c9,c8777649a8d244adbf3354e7205bc8a8
Geschirrkorbrolle grau für Geschirrspüler Com C00056347 Unterkorb
11005005
Korbrollen
5be304e4b1264abb899df2e434e01a2c,436592444c584ad1b5a679fc5ac3ef73,275b77c77344470ea771c19b8b2780c9,450633de653e4f9da61d6353aa2de5a4
Dosiereinheit für Indesit Ofen C00104789 Ventil
11041642
Magnetventil,Einlassventil,Ventil,Ventil
5be304e4b1264abb899df2e434e01a2c,436592444c584ad1b5a679fc5ac3ef73,6d0b034684f448a88e441e35d5a01b2b,47067e90b5dc4b1d9f40bc3cdd7c85c3,3017057ce80b4d85aae42a1e4928e81a,275b77c77344470ea771c19b8b2780c9,57c17f77121745b58646dcdad368fdda,20c1991096f2443485471f7b5d57b3ae,448edcf10e7244f193345c5fac802a16,5e7747f201f9403da8ffbb5186d3c28b,70a49e4ae7404fa6b1a4e74e7e07a962
Sprüharmrohrverbinder / Mutter für senkrechtes Rohr Electrolux 1523118204 für Geschirrspüler
156172
Sprüharmrohrverbinder / Mutter für senkrechtes Rohr Electrolux 1523118204 für Geschirrspüler

OT: Electrolux-Konzern/AEG.. 152311820/4
Dieses Verbindungselement verbindet das äußere senkrecht sitzende Sprüharmrohr mit dem waagerecht sitzenden Verteiler im Wasserverteilungssystem des Geschirrspülers. Sprüharm
5be304e4b1264abb899df2e434e01a2c,436592444c584ad1b5a679fc5ac3ef73,275b77c77344470ea771c19b8b2780c9,8a26d46fbdc34633b4fe038be27b486c
Rollenhalter-Befestigungselement für Geschirrspüler (1521220101)
344828
Halter, oberer Korb, Rolle, 1 pcs.

Geschirrkorb
5be304e4b1264abb899df2e434e01a2c,436592444c584ad1b5a679fc5ac3ef73,275b77c77344470ea771c19b8b2780c9,dc70c27085934cb5acc4cd088fc0a361
Sperrklinke AEG 152234405/8 für Geschirrspüler
344875
Sperrklinke AEG 152234405/8 für Geschirrspüler

Türschloss
5be304e4b1264abb899df2e434e01a2c,436592444c584ad1b5a679fc5ac3ef73,275b77c77344470ea771c19b8b2780c9,56ef51792b4f42aab29cae33f433612e
Dosiereinheit für Geschirrspüler Whirlpool/Indesit 482000026913 Reiniger/Klarspüler
11010926
Spülmaschinenreiniger
5be304e4b1264abb899df2e434e01a2c,436592444c584ad1b5a679fc5ac3ef73,275b77c77344470ea771c19b8b2780c9,e04f850016cb4b58bdde2847db9b5c59
Wassertasche ZANUSSI 152462403/6 Regenerierdosierung für Geschirrspüler
173584
Wassertasche ZANUSSI 152462403/6 Regenerierdosierung für Geschirrspüler

Inklusive 2 Ventilen Electolux-Konzern-Nr. 152974670/1 Wassertasche
5be304e4b1264abb899df2e434e01a2c,436592444c584ad1b5a679fc5ac3ef73,275b77c77344470ea771c19b8b2780c9,606a3c15c7764c98b27b232dc083839d
Türdichtung 3-seitig wie Electrolux 1171265448 für Geschirrspüler
10100425
Türdichtung 3-seitig wie Electrolux 1171265448 für Geschirrspüler

AlternativTeil passend u.a. wie Electrolux-Konzern/AEG.. 1171265448 , Küppersbusch 426976
Die dreiseitige schwarze Gummidichtung ist seitlich / oben in der Spülmaschine eingesetzt. Türdichtung
5be304e4b1264abb899df2e434e01a2c,436592444c584ad1b5a679fc5ac3ef73,275b77c77344470ea771c19b8b2780c9,916ee1c443ef40e4851d064c573dca26
Türschloss für AEG Geschirrspüler Com 4055283925 Sperrklinke
11028288
Türschloss
5be304e4b1264abb899df2e434e01a2c,436592444c584ad1b5a679fc5ac3ef73,275b77c77344470ea771c19b8b2780c9,56ef51792b4f42aab29cae33f433612e
RÄDERSATZ (OBEN), 8 STK, DUNKE LGRAU
334546
Korbrollen
5be304e4b1264abb899df2e434e01a2c,436592444c584ad1b5a679fc5ac3ef73,275b77c77344470ea771c19b8b2780c9,450633de653e4f9da61d6353aa2de5a4
Korbrollen-Set für Geschirrspüler AEG 50286965004 8 Stück grau
11004986
Korbrollen
5be304e4b1264abb899df2e434e01a2c,436592444c584ad1b5a679fc5ac3ef73,275b77c77344470ea771c19b8b2780c9,450633de653e4f9da61d6353aa2de5a4
Korbrollen weiß 8er-Set für Geschirrspüler COM 50269971003 Unterkorb
11004996
Korbrollen
5be304e4b1264abb899df2e434e01a2c,436592444c584ad1b5a679fc5ac3ef73,275b77c77344470ea771c19b8b2780c9,450633de653e4f9da61d6353aa2de5a4
Korbrollen-Set für AEG Geschirrspüler COM 50269970005 8 Stück
11004998
Korbrollen
5be304e4b1264abb899df2e434e01a2c,436592444c584ad1b5a679fc5ac3ef73,275b77c77344470ea771c19b8b2780c9,450633de653e4f9da61d6353aa2de5a4
Geschirrkorbrolle grau für Geschirrspüler AEG 50278101006 1 Stück
11005004
Korbrollen
5be304e4b1264abb899df2e434e01a2c,436592444c584ad1b5a679fc5ac3ef73,275b77c77344470ea771c19b8b2780c9,450633de653e4f9da61d6353aa2de5a4
Türschloss für Geschirrspüler ATAG 352953 Türverriegelung
11011691
Türschloss
5be304e4b1264abb899df2e434e01a2c,436592444c584ad1b5a679fc5ac3ef73,275b77c77344470ea771c19b8b2780c9,56ef51792b4f42aab29cae33f433612e
Elektroventil für Zanussi Ofen Com Wasserhahn
11043887
Einlassventil
5be304e4b1264abb899df2e434e01a2c,47067e90b5dc4b1d9f40bc3cdd7c85c3,3017057ce80b4d85aae42a1e4928e81a,448edcf10e7244f193345c5fac802a16
Korbrolle für unteren Geschirrkorb 50286964007 Originalersatzteil von AEG
10032209

Korbrolle für unteren Geschirrkorb 50286964007 Originalersatzteil von AEG

Originalteil von AEG Korbrolle für unteren Geschirrkorb 50286964007

Korbrollen,Geschirrkorb
5be304e4b1264abb899df2e434e01a2c,436592444c584ad1b5a679fc5ac3ef73,275b77c77344470ea771c19b8b2780c9,450633de653e4f9da61d6353aa2de5a4,dc70c27085934cb5acc4cd088fc0a361
Untere Türdichtung für Geschirrspüler 1527401002 Originalersatzteil von AEG
10032225

Untere Türdichtung für Geschirrspüler 1527401002 Originalersatzteil von AEG

Originalteil von AEG Untere Türdichtung für Geschirrspüler 1527401002

Türdichtung
5be304e4b1264abb899df2e434e01a2c,436592444c584ad1b5a679fc5ac3ef73,275b77c77344470ea771c19b8b2780c9,916ee1c443ef40e4851d064c573dca26
Bremsplatte Electrolux 1523236030 für Geschirrspüler
344903
Bremsplatte Electrolux 1523236030 für Geschirrspüler

Zubehör
5be304e4b1264abb899df2e434e01a2c,436592444c584ad1b5a679fc5ac3ef73,275b77c77344470ea771c19b8b2780c9,5ae60379a8ad4940a07e4c25cb127c70
Mikroschalter für Geschirrspülertüren (50287927003)
354359
Mikroschalter 2AMP für Türe AEG 50287927003 in Geschirrspüler

Tür
5be304e4b1264abb899df2e434e01a2c,436592444c584ad1b5a679fc5ac3ef73,275b77c77344470ea771c19b8b2780c9,b3a18cc8734147fcaa878cba5c92088e
Ablaufkanal für Geschirrspüler 1524902523 Originalersatzteil von AEG
10032968

Ablaufkanal für Geschirrspüler 1524902523 Originalersatzteil von AEG

Originalteil von AEG Ablaufkanal für Geschirrspüler 1524902523

Sprüharm
5be304e4b1264abb899df2e434e01a2c,436592444c584ad1b5a679fc5ac3ef73,275b77c77344470ea771c19b8b2780c9,8a26d46fbdc34633b4fe038be27b486c
Türdichtung unten passend für Electrolux 1527401002 BLUPARTS in Geschirrspüler
11056234
Türdichtung unten passend für Electrolux 1527401002 BLUPARTS in Geschirrspüler

AlternativTeil BLUPARTS u.a. passend für Electrolux-Konzern/AEG... 1527401002 und Küppersbusch 425712 Türdichtung
5be304e4b1264abb899df2e434e01a2c,436592444c584ad1b5a679fc5ac3ef73,275b77c77344470ea771c19b8b2780c9,916ee1c443ef40e4851d064c573dca26
Hinterer Anschlag für Geschirrspüler (1525376206)
344983
Geschirrkorb,Laufschienen
5be304e4b1264abb899df2e434e01a2c,436592444c584ad1b5a679fc5ac3ef73,275b77c77344470ea771c19b8b2780c9,57744a862ec54b4d9831aa184f6b9a81,dc70c27085934cb5acc4cd088fc0a361
Rollensatz oben für Geschirrspüler AEG 50286965004 8 Stück
11004985
Korbrollen
5be304e4b1264abb899df2e434e01a2c,436592444c584ad1b5a679fc5ac3ef73,275b77c77344470ea771c19b8b2780c9,450633de653e4f9da61d6353aa2de5a4
Heizung für Geschirrspüler Irca 50249381000 2100W
11007966
Heizelement
5be304e4b1264abb899df2e434e01a2c,436592444c584ad1b5a679fc5ac3ef73,275b77c77344470ea771c19b8b2780c9,1c35d1dd9f3c49b5a64535a632fbcdf9
Rolle für oberen Geschirrkorb 50286966002 Originalersatzteil von AEG
10032208

Rolle für oberen Geschirrkorb 50286966002 Originalersatzteil von AEG

Originalteil von AEG Rolle für oberen Geschirrkorb 50286966002

Geschirrkorb
5be304e4b1264abb899df2e434e01a2c,436592444c584ad1b5a679fc5ac3ef73,275b77c77344470ea771c19b8b2780c9,dc70c27085934cb5acc4cd088fc0a361
Aluminiumverkleidung für Geschirrspüler (140030693059)
344329
KUNSTSTOFF, DAMPF, SCHUTZ, L=750M 140030693059

Gehäuseteile
5be304e4b1264abb899df2e434e01a2c,436592444c584ad1b5a679fc5ac3ef73,275b77c77344470ea771c19b8b2780c9,6f364c83e8954316926998e24fee04f5
Scharnierbügel für Geschirrspüler (1520419142)
344806
Band, Scharnier

Türscharnier
5be304e4b1264abb899df2e434e01a2c,436592444c584ad1b5a679fc5ac3ef73,275b77c77344470ea771c19b8b2780c9,8c476ac1fee2492eac0ace43254db03a
Laufschienenanschlag vorne AEG 152047941/9 für Geschirrspüler 1520479302
10003953

Laufschienenanschlag vorne AEG 152047941/9 für Geschirrspüler

Diese Klammer bzw. dieses Endstück vorne für die Korbrollen-Führungsschiene ist u.a. auch passend wie Fagor Brandt 32X0746 , Küppersbusch 442221 , EFS-Gruppe/Foron.. 615015735


Dieses Ersatzteil passt exakt wie das Vorgänger-Teil mit der Herstellernummer 1520479302

Laufschienen
5be304e4b1264abb899df2e434e01a2c,436592444c584ad1b5a679fc5ac3ef73,275b77c77344470ea771c19b8b2780c9,57744a862ec54b4d9831aa184f6b9a81
O-Ring Kollektor außen für Geschirrspüler (50282650006)
354202
Dichtring AEG 5028265000/6 ORing 33mmØ für Kollektor Geschirrspüler 50282650006

Dieser O-Ring sitzt zwischen Anschlusssstück und Kollektor. Dichtungen
5be304e4b1264abb899df2e434e01a2c,436592444c584ad1b5a679fc5ac3ef73,275b77c77344470ea771c19b8b2780c9,3e9cf2ee74bd425fac13ec3e5bed7e89
Behälterschalendichtung für Geschirrspüler 50659231000 Originalersatzteil von AEG
10032214

Behälterschalendichtung für Geschirrspüler 50659231000 Originalersatzteil von AEG

Originalteil von AEG Behälterschalendichtung für Geschirrspüler 50659231000

Sondersortiment
5be304e4b1264abb899df2e434e01a2c,436592444c584ad1b5a679fc5ac3ef73,275b77c77344470ea771c19b8b2780c9,c8777649a8d244adbf3354e7205bc8a8
Magnetventil 1-fach 90° 11,0mmØ, OT! 152023300 AEG, Electrolux, Juno, Zanussi
152459
Magnetventil 1-fach 90° 11,0mmØ Electrolux 152023300/6 für Geschirrspüler

OT: OriginalTeil Electrolux-Konzern/AEG.. 152023300/6.
Eine Seite Zulaufschlauch-Anschluss mit 3/4"-Gewinde. Magnetventil
5be304e4b1264abb899df2e434e01a2c,436592444c584ad1b5a679fc5ac3ef73,275b77c77344470ea771c19b8b2780c9,5e7747f201f9403da8ffbb5186d3c28b
Geschirrspüler-Doppelthermostat (1521172104)
344827
Thermostat
5be304e4b1264abb899df2e434e01a2c,436592444c584ad1b5a679fc5ac3ef73,275b77c77344470ea771c19b8b2780c9,752120a40d3c43edbe02c22060744e94
Pumpen-Laufrad für Umwälzpumpe, Set 5027351200 AEG, Electrolux, Juno, Zanussi
173566
Pumpen-Laufrad für Umwälzpumpe Electrolux 50273512009 für Geschirrspüler

OT: Electrolux-Konzern/AEG.. 5027351200/9
Passend zu Spülmaschinen-Umwälzpumpe Europart-Nr. 105885. Pumpe
5be304e4b1264abb899df2e434e01a2c,436592444c584ad1b5a679fc5ac3ef73,275b77c77344470ea771c19b8b2780c9,a6fc36f119c94834891177d39aebb5e1
Mittige Fußeinstellschraube für Geschirrspüler (1523262119)
344908
Sockel
5be304e4b1264abb899df2e434e01a2c,436592444c584ad1b5a679fc5ac3ef73,275b77c77344470ea771c19b8b2780c9,6f6cb264a587449d8d5189e2be8578e3
Ablaufschlauch für Geschirrspüler (1523495008)
344914
Ablaufrohr, L=1750 1523495008

Schlauch
5be304e4b1264abb899df2e434e01a2c,436592444c584ad1b5a679fc5ac3ef73,275b77c77344470ea771c19b8b2780c9,40ee0815bd1042dfa6b07fc66864eca1
Türschloss Electrolux 111315012/0 für Geschirrspüler
341229
Türschloss Electrolux 111315012/0 für Geschirrspüler

Türschloss
5be304e4b1264abb899df2e434e01a2c,436592444c584ad1b5a679fc5ac3ef73,275b77c77344470ea771c19b8b2780c9,56ef51792b4f42aab29cae33f433612e
Besteckkorbhalter für Geschirrspüler (1524540208)
344958
Besteckkorb
5be304e4b1264abb899df2e434e01a2c,436592444c584ad1b5a679fc5ac3ef73,275b77c77344470ea771c19b8b2780c9,95f1235cef6842fd8204f1fb4ca40fa1
Verteilerdose für Geschirrspüler (1521594000)
344849
Steuerung
5be304e4b1264abb899df2e434e01a2c,436592444c584ad1b5a679fc5ac3ef73,275b77c77344470ea771c19b8b2780c9,a0310176b38b40b4be1c70508f25f455
Wasserverteilermutter für Geschirrspüler (50286080002)
354257
Mutter, Wasserweiche

Zubehör
5be304e4b1264abb899df2e434e01a2c,436592444c584ad1b5a679fc5ac3ef73,275b77c77344470ea771c19b8b2780c9,5ae60379a8ad4940a07e4c25cb127c70
Auslassventilhalter für Geschirrspüler (1522418035)
344880
Steuerung
5be304e4b1264abb899df2e434e01a2c,436592444c584ad1b5a679fc5ac3ef73,275b77c77344470ea771c19b8b2780c9,a0310176b38b40b4be1c70508f25f455
Temperatursensor für Geschirrspüler (50273371000)
353996
Thermostat
5be304e4b1264abb899df2e434e01a2c,436592444c584ad1b5a679fc5ac3ef73,275b77c77344470ea771c19b8b2780c9,752120a40d3c43edbe02c22060744e94
Mutterdichtung für Geschirrspüler (1522802006)
344891
Dichtungsband

Sprüharm,Dichtungen
5be304e4b1264abb899df2e434e01a2c,436592444c584ad1b5a679fc5ac3ef73,275b77c77344470ea771c19b8b2780c9,3e9cf2ee74bd425fac13ec3e5bed7e89,8a26d46fbdc34633b4fe038be27b486c
Ein-/Aus-Schalter für Geschirrspüler 50287473008 Originalersatzteil von AEG
10032203

Ein-/Aus-Schalter für Geschirrspüler 50287473008 Originalersatzteil von AEG

Originalteil von AEG Ein-/Aus-Schalter für Geschirrspüler 50287473008

Schalter
5be304e4b1264abb899df2e434e01a2c,436592444c584ad1b5a679fc5ac3ef73,275b77c77344470ea771c19b8b2780c9,a093451999a4484290e5b99d6ab41327
Heizelementabdeckung für Geschirrspüler (1523887006)
359552
Heizelement
5be304e4b1264abb899df2e434e01a2c,436592444c584ad1b5a679fc5ac3ef73,275b77c77344470ea771c19b8b2780c9,1c35d1dd9f3c49b5a64535a632fbcdf9
Fugenabdeckung, Bottich, Gehäuse (1522337029)
344872
Gehäuseteile
5be304e4b1264abb899df2e434e01a2c,436592444c584ad1b5a679fc5ac3ef73,275b77c77344470ea771c19b8b2780c9,6f364c83e8954316926998e24fee04f5
Kabelbaumschutz für Geschirrspüler (1522345030)
344876
Steuerung
5be304e4b1264abb899df2e434e01a2c,436592444c584ad1b5a679fc5ac3ef73,275b77c77344470ea771c19b8b2780c9,a0310176b38b40b4be1c70508f25f455
Motorkondensator für Waschmaschinen 1256418011 Originalersatzteil von AEG
10032966

Motorkondensator für Waschmaschinen 1256418011 Originalersatzteil von AEG

Originalteil von AEG Motorkondensator für Waschmaschinen 1256418011

Electrolux ungepflegt
5be304e4b1264abb899df2e434e01a2c,2191fbdc920b4a25af306eb17d62adc0,c56d9a32f06b426584727cb2b08a0cf8
Seitenwand, rechts, Weiss, Diva-4 (1526790355)
345034
Gehäuseteile
5be304e4b1264abb899df2e434e01a2c,436592444c584ad1b5a679fc5ac3ef73,275b77c77344470ea771c19b8b2780c9,6f364c83e8954316926998e24fee04f5
Innere Tür für Geschirrspüler (4055246047)
352023
Tür
5be304e4b1264abb899df2e434e01a2c,436592444c584ad1b5a679fc5ac3ef73,275b77c77344470ea771c19b8b2780c9,b3a18cc8734147fcaa878cba5c92088e
Buchsenstopfen für Geschirrspüler (50223901005)
353492
Gehäuseteile
5be304e4b1264abb899df2e434e01a2c,436592444c584ad1b5a679fc5ac3ef73,275b77c77344470ea771c19b8b2780c9,6f364c83e8954316926998e24fee04f5
Seitenwand, links, Weiss, Diva-45 (1526790256)
345033
Gehäuseteile
5be304e4b1264abb899df2e434e01a2c,436592444c584ad1b5a679fc5ac3ef73,275b77c77344470ea771c19b8b2780c9,6f364c83e8954316926998e24fee04f5
Tastenhalter für Geschirrspüler (1520670017)
344817
Bedienteil
5be304e4b1264abb899df2e434e01a2c,436592444c584ad1b5a679fc5ac3ef73,275b77c77344470ea771c19b8b2780c9,6930dd2ea7744e0eaca3dce9b44bb0d4
Rollensatz Küppersbusch 435857 für Geschirrspüler 8 Stk
603201
Rollensatz Küppersbusch 435857 für Geschirrspüler 8 Stk

Korbrollen
5be304e4b1264abb899df2e434e01a2c,436592444c584ad1b5a679fc5ac3ef73,275b77c77344470ea771c19b8b2780c9,450633de653e4f9da61d6353aa2de5a4
Einbautür für Geschirrspüler (1524571401)
344959
Tür
5be304e4b1264abb899df2e434e01a2c,436592444c584ad1b5a679fc5ac3ef73,275b77c77344470ea771c19b8b2780c9,b3a18cc8734147fcaa878cba5c92088e
Oberer Sprüharm für Geschirrspüler 1524744107 Originalersatzteil von AEG
10032971

Oberer Sprüharm für Geschirrspüler 1524744107 Originalersatzteil von AEG

Originalteil von AEG Oberer Sprüharm für Geschirrspüler 1524744107

Sprüharm
5be304e4b1264abb899df2e434e01a2c,436592444c584ad1b5a679fc5ac3ef73,275b77c77344470ea771c19b8b2780c9,8a26d46fbdc34633b4fe038be27b486c
GESCHIRRKORB, UNTEN, GRAU, 524X51
10032906

GESCHIRRKORB,UNTEN,GRAU,524X51 140133729040 Originalersatzteil von AEG

Originalteil von AEG GESCHIRRKORB,UNTEN,GRAU,524X51 140133729040

Geschirrkorb
5be304e4b1264abb899df2e434e01a2c,436592444c584ad1b5a679fc5ac3ef73,275b77c77344470ea771c19b8b2780c9,dc70c27085934cb5acc4cd088fc0a361
Dampfauslassgitter für Geschirrspüler (1522530102)
344884
Gehäuseteile
5be304e4b1264abb899df2e434e01a2c,436592444c584ad1b5a679fc5ac3ef73,275b77c77344470ea771c19b8b2780c9,6f364c83e8954316926998e24fee04f5
Untere, vordere Kreuzschiene für Geschirrspüler (1527256109)
345061
Laufschienen
5be304e4b1264abb899df2e434e01a2c,436592444c584ad1b5a679fc5ac3ef73,275b77c77344470ea771c19b8b2780c9,57744a862ec54b4d9831aa184f6b9a81
Türdichtung passend für Electrolux 117126544 für Geschirrspüler 10111887
11050520
Türdichtung passend für Electrolux 117126544 für Geschirrspüler 10111887

Türdichtung
5be304e4b1264abb899df2e434e01a2c,436592444c584ad1b5a679fc5ac3ef73,275b77c77344470ea771c19b8b2780c9,916ee1c443ef40e4851d064c573dca26
697410323 ROLLENKIT (8 STÜCK) D=40MM
X314310
697410323 ROLLENKIT (8 STÜCK) D=40MM Rad/Rollen
450633de653e4f9da61d6353aa2de5a4
31X9585 TRÄGER KORB
7850443
31X9585 TRÄGER KORB Rad/Rollen
450633de653e4f9da61d6353aa2de5a4
49304 PROPELLERHALTERUNG OBEN
8731714
49304 PROPELLERHALTERUNG OBEN Anschlussteile,Rohre
21eca73c072f4f9ebcb86d1cc84e6a7b,91e1ff312a064ac0a269b6ca37fde0f5
50286965004 GESCHIRRKORB ROLLENSATZ, DUNKELGRAU, 8 STÜCK
8736398
50286965004 GESCHIRRKORB ROLLENSATZ, DUNKELGRAU, 8 STÜCK Rad/Rollen
450633de653e4f9da61d6353aa2de5a4
ersatzteilshop.de
4.9
Trustpilot Rating
basierend auf 8788 zertifizierten Bewertungen von zufriedenen Kunden
powered by Google and Trustpilot
Konstantinos Katsaounis
Konstantinos Katsaounis vor einem Monat
Ich bin sehr zufrieden mit meiner Bestellung. Der Versand ging super schnell, das Ersatzteil hat perfekt gepasst und meine Spülmaschine läuft endlich wieder einwandfrei. Ich bin wirklich dankbar und werde auf jeden Fall wieder hier bestellen.👌🙏👍✅🔝🔝🔝 Liebe Grüße Konstantinos Katsaounis
Tobias Potocki-Meier
Tobias Potocki-Meier vor 3 Wochen
Ich habe ein neues Heizelement für unseren Beko Backofen bestellt. Der Preis war sehr gut, der Versand erfolgte zügig per DHL. Das Teil war ordentlich verpackt, passt perfekt und der Backofen kann nun seine Dienste wieder perfekt verrichten.
Peter Reske
Peter Reske vor 3 Wochen
Zu den von mir bestellten Produkten läßt sich nichts nachteiliges sagen. Produkte und Lieferzeit waren OK. Allein der Verpackungswahnsinn hat mich irritiert. Für zwei relativ kleine Filter für eine Abzugshaube wurden 3 Kartonagen benötigt, obwohl ein kleinerer Karton völlig ausreichend gewesen wäre. Leider habe ich keine Fotos gemacht, aber für die artgerechte Entsorgung habe ich einige Zeit benötigt.
Heinz-Werner Engels
Heinz-Werner Engels vor 2 Monaten
Super schnelle Lieferung des so viel preisgünstigeren Alternativ-Ersatzteils. Austausch gut geklappt. Das Ventil passt einwandfrei, eine gute und günstige Reparatur unserer alten Waschmaschine. Meine Frau ist wieder happy.
Peggy Emmrich
Peggy Emmrich vor einem Monat
Es ist so toll. Endlich kann ich wieder meine Bosch My Moments Kaffeemaschine benutzen. Die Kaffeekanne war sehr sehr gut abgesichert und verpackt. Das war wirklich top. Diesen Service ist zu empfehlen. Der Shop ist nur zu empfehlen wenn man etwas sucht und nicht komplett neu kaufen möchte.
Mehr ansehen >
Trustpilot
Trustpilot Rating
Hervorragend
4.9/5.00