Kontaktformular
Whatsapp
Warenkorb
Hamburger Icon

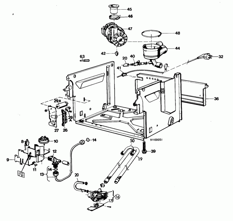
Ersatzteile für Electrolux 71152 M 5 (91150691500)

Marke
Electrolux
Modell
71152 M 5
Modellnummer
91150691500
Kategorie
Geschirrspüler
Position data Position number Product category ids
Spülmaschinen-Systempflege Hotrega 250ml 110310
154936

Systempflege HOTREGA H110310 für Geschirrspüler 250ml

Spezialprodukt für intensive Sauberkeit und optimalen Werterhalt.
- Wirksam gegen Kalk, Fett und Ablagerungen aller Art
- Schützt vor Funktionsstörungen
- Für perfekte Hygiene und optimalen Werterhalt
Wirksame Systempflege mit innovativer 3-fach-Formel:
1. Hochaktive Reinigungskomponenten ent fernen mühelos und nachhaltig Kalk, Fett, unangenehme Gerüche und Ablagerungen aller Art.
2. Spezielle Korrosionsinhibitoren schützen die Metallteile in der Maschine.
3. Langzeit-Pflegestoffe halten die Gummiteile dauerhaft elastisch.
Regelmäßige Anwendung (alle 1–2 Monate) sichert eine perfekte energiesparende Leistung der Maschine und optimale Spülergebnisse.
Anwendung:
1. Filtersieb der Maschine reinigen.
2. Etikett vom Verschluss der Flasche abziehen, aber Verschluss nicht aufdrehen.
3. Flasche mit Verschluss nach unten standsicher in den Besteckkorb stellen.
4. Spülmaschine ohne Geschirr und Geschirr-Reiniger mit Normalprogramm bei 65 °C in Betrieb nehmen.
Der Inhalt der Flasche ist ausreichend für eine Anwendung.

Spülmaschinenreiniger
5be304e4b1264abb899df2e434e01a2c,436592444c584ad1b5a679fc5ac3ef73,275b77c77344470ea771c19b8b2780c9,e04f850016cb4b58bdde2847db9b5c59
Magnetventil 1-fach 90° 11,5mmØ, Universal! AEG, Electrolux, Juno, Zanussi
153445
Magnetventil 1-fach 90° 11,5mmØ Universal

Universal: Universell einsetzbarer Alternativartikel Bitte Maße/Werte vergleichen.
Befestigung in 90°-Schritten verstellbar.
Eingang und Ausgang sind reduzierbar, siehe Variantentypen.
Eine Seite Zulaufschlauch-Anschluss mit 3/4"-Gewinde. Einlassventil
5be304e4b1264abb899df2e434e01a2c,47067e90b5dc4b1d9f40bc3cdd7c85c3,3017057ce80b4d85aae42a1e4928e81a,448edcf10e7244f193345c5fac802a16
Magnetventil Bitron/ Elbi 33190150 für Kühlschrank Bitron/ Elbi
11051349
Magnetventil Bitron/ Elbi 33190150 für Kühlschrank Bitron/ Elbi

Einlassventil
5be304e4b1264abb899df2e434e01a2c,47067e90b5dc4b1d9f40bc3cdd7c85c3,3017057ce80b4d85aae42a1e4928e81a,448edcf10e7244f193345c5fac802a16
Dichtung (1503023002)
359505
Zubehör
5be304e4b1264abb899df2e434e01a2c,436592444c584ad1b5a679fc5ac3ef73,275b77c77344470ea771c19b8b2780c9,5ae60379a8ad4940a07e4c25cb127c70
Dichtungsring (1501433005)
359501
Türdichtung
5be304e4b1264abb899df2e434e01a2c,436592444c584ad1b5a679fc5ac3ef73,275b77c77344470ea771c19b8b2780c9,916ee1c443ef40e4851d064c573dca26
Geschirrspülerdichtung (1501969008)
359502
Türdichtung,Dichtungen
5be304e4b1264abb899df2e434e01a2c,436592444c584ad1b5a679fc5ac3ef73,275b77c77344470ea771c19b8b2780c9,3e9cf2ee74bd425fac13ec3e5bed7e89,916ee1c443ef40e4851d064c573dca26
Rohrverbindungsmutter für Geschirrspüler (1509516009)
344763
Gehäuseteile
5be304e4b1264abb899df2e434e01a2c,436592444c584ad1b5a679fc5ac3ef73,f756a4183a79405fae9310bb7a94bc2a,123ebedf6fda4c68aa9e203b61389775
Mikroschalter für Geschirrspüler 1501814006 Originalersatzteil von AEG
10032719

Mikroschalter für Geschirrspüler 1501814006 Originalersatzteil von AEG

Originalteil von AEG Mikroschalter für Geschirrspüler 1501814006

Schalter
5be304e4b1264abb899df2e434e01a2c,436592444c584ad1b5a679fc5ac3ef73,275b77c77344470ea771c19b8b2780c9,a093451999a4484290e5b99d6ab41327
Schalter-Mikro Minett (3523059016)
361789
Schalter
5be304e4b1264abb899df2e434e01a2c,436592444c584ad1b5a679fc5ac3ef73,275b77c77344470ea771c19b8b2780c9,a093451999a4484290e5b99d6ab41327
1502393000 GROBSIEB
399327
1502393000 GROBSIEB Filter mechanisch,Siebe,Sieb Geschirrspüler
386b17d3629f4f80aa1ef7537e72301a,6203423ecb63427694d641813b307aa8,6203423ecb63427694d641813b307aa8
ersatzteilshop.de
4.9
Trustpilot Rating
basierend auf 8788 zertifizierten Bewertungen von zufriedenen Kunden
powered by Google and Trustpilot
Konstantinos Katsaounis
Konstantinos Katsaounis vor einem Monat
Ich bin sehr zufrieden mit meiner Bestellung. Der Versand ging super schnell, das Ersatzteil hat perfekt gepasst und meine Spülmaschine läuft endlich wieder einwandfrei. Ich bin wirklich dankbar und werde auf jeden Fall wieder hier bestellen.👌🙏👍✅🔝🔝🔝 Liebe Grüße Konstantinos Katsaounis
Tobias Potocki-Meier
Tobias Potocki-Meier vor 3 Wochen
Ich habe ein neues Heizelement für unseren Beko Backofen bestellt. Der Preis war sehr gut, der Versand erfolgte zügig per DHL. Das Teil war ordentlich verpackt, passt perfekt und der Backofen kann nun seine Dienste wieder perfekt verrichten.
Peter Reske
Peter Reske vor 3 Wochen
Zu den von mir bestellten Produkten läßt sich nichts nachteiliges sagen. Produkte und Lieferzeit waren OK. Allein der Verpackungswahnsinn hat mich irritiert. Für zwei relativ kleine Filter für eine Abzugshaube wurden 3 Kartonagen benötigt, obwohl ein kleinerer Karton völlig ausreichend gewesen wäre. Leider habe ich keine Fotos gemacht, aber für die artgerechte Entsorgung habe ich einige Zeit benötigt.
Heinz-Werner Engels
Heinz-Werner Engels vor 2 Monaten
Super schnelle Lieferung des so viel preisgünstigeren Alternativ-Ersatzteils. Austausch gut geklappt. Das Ventil passt einwandfrei, eine gute und günstige Reparatur unserer alten Waschmaschine. Meine Frau ist wieder happy.
Peggy Emmrich
Peggy Emmrich vor einem Monat
Es ist so toll. Endlich kann ich wieder meine Bosch My Moments Kaffeemaschine benutzen. Die Kaffeekanne war sehr sehr gut abgesichert und verpackt. Das war wirklich top. Diesen Service ist zu empfehlen. Der Shop ist nur zu empfehlen wenn man etwas sucht und nicht komplett neu kaufen möchte.
Mehr ansehen >
Trustpilot
Trustpilot Rating
Hervorragend
4.9/5.00