Kontaktformular
Whatsapp
Warenkorb
Hamburger Icon

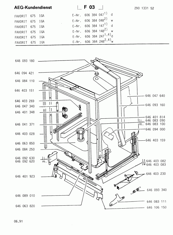
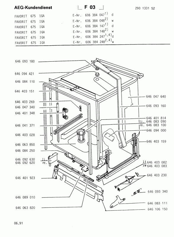
Ersatzteile für AEG Favorit 675 IGA (60638424700)

Marke
AEG
Modell
Favorit 675 IGA
Modellnummer
60638424700
Kategorie
Geschirrspüler
  • Diagnose
  • Fehlercodes
Position data Position number Product category ids
Dosierkombination, OT! 407135813 AEG, Electrolux, Juno, Zanussi, EFS Gruppe
173543
Dosierkombination AEG 407135813/1 für Geschirrspüler

Für AEG-Geräte ab 1984.
Passender Deckel für Reinigerfach siehe Electrolux-Nr. 400607802/8
Hinweis: Klarspülkammerdeckel Europart-Nr. 106370 ist nur für die alte Ausführung passend, da bei der neuen Ausführung die Dichtung in der Klappe integriert ist. Dosierkammer
5be304e4b1264abb899df2e434e01a2c,436592444c584ad1b5a679fc5ac3ef73,275b77c77344470ea771c19b8b2780c9,51d1adca2c4b4c208fb873979695daf0
Klarspülkammerdeckel rund 400604561 AEG, Electrolux, Juno, Zanussi, EFS Gruppe
152492
Klarspülkammerdeckel AEG 400604561/3 für Dosierkombination Geschirrspüler

Passend zu Dosierkombination AEG 407135813/1 ABER nur für die alte Ausführung!
Bei der neuen Ausführung der Dosierkombination ist in der Klappe die Dichtung integriert. Dosierkammer
5be304e4b1264abb899df2e434e01a2c,436592444c584ad1b5a679fc5ac3ef73,275b77c77344470ea771c19b8b2780c9,51d1adca2c4b4c208fb873979695daf0
Klarspülkammerdeckel wie AEG 400604561/3 für Dosierkombination Geschirrspüler
395438

Klarspülkammerdeckel wie AEG 400604561/3 für Dosierkombination Geschirrspüler

AlternativTeil passend u.a. wie Electrolux-Konzern/AEG.. 400604561/3
Passend zu Dosierkombination AEG 407135813/1 ABER nur für die alte Ausführung!
Bei der neuen Ausführung der Dosierkombination ist in der Klappe die Dichtung integriert.

Dosierkammer
5be304e4b1264abb899df2e434e01a2c,436592444c584ad1b5a679fc5ac3ef73,275b77c77344470ea771c19b8b2780c9,51d1adca2c4b4c208fb873979695daf0
Spülmaschinen-Systempflege Hotrega 250ml 110310
154936

Systempflege HOTREGA H110310 für Geschirrspüler 250ml

Spezialprodukt für intensive Sauberkeit und optimalen Werterhalt.
- Wirksam gegen Kalk, Fett und Ablagerungen aller Art
- Schützt vor Funktionsstörungen
- Für perfekte Hygiene und optimalen Werterhalt
Wirksame Systempflege mit innovativer 3-fach-Formel:
1. Hochaktive Reinigungskomponenten ent fernen mühelos und nachhaltig Kalk, Fett, unangenehme Gerüche und Ablagerungen aller Art.
2. Spezielle Korrosionsinhibitoren schützen die Metallteile in der Maschine.
3. Langzeit-Pflegestoffe halten die Gummiteile dauerhaft elastisch.
Regelmäßige Anwendung (alle 1–2 Monate) sichert eine perfekte energiesparende Leistung der Maschine und optimale Spülergebnisse.
Anwendung:
1. Filtersieb der Maschine reinigen.
2. Etikett vom Verschluss der Flasche abziehen, aber Verschluss nicht aufdrehen.
3. Flasche mit Verschluss nach unten standsicher in den Besteckkorb stellen.
4. Spülmaschine ohne Geschirr und Geschirr-Reiniger mit Normalprogramm bei 65 °C in Betrieb nehmen.
Der Inhalt der Flasche ist ausreichend für eine Anwendung.

Spülmaschinenreiniger
5be304e4b1264abb899df2e434e01a2c,436592444c584ad1b5a679fc5ac3ef73,275b77c77344470ea771c19b8b2780c9,e04f850016cb4b58bdde2847db9b5c59
Besteckkorb, OT! 111840170 AEG, Electrolux, Juno, Zanussi, EFS Gruppe
152486
Besteckkorb ausklappbar AEG 111840170/0 für Geschirrspüler

Passend auch wie 405503060/7 und verschiedene andere Ausführungen. Besteckkorb
5be304e4b1264abb899df2e434e01a2c,436592444c584ad1b5a679fc5ac3ef73,275b77c77344470ea771c19b8b2780c9,95f1235cef6842fd8204f1fb4ca40fa1
Besteckkorb universal Electrolux 902979235/6 teilbar für Geschirrspüler
152664
Besteckkorb universal Electrolux 902979235/6 teilbar für Geschirrspüler

Universal: Universell einsetzbarer Artikel Dieser Besteckkorb ist für Geschirrspüler aller Marken einsetzbar (bitte Maße vergleichen)
- zum Trennen der beiden Fächer: waagerecht schieben und auseinander ziehen
- wenn der Griff den Sprüharm berührt: den Griff einfach umklappen
- mit handlichen und abklappbaren Besteckhalterungen. Besteckkorb
5be304e4b1264abb899df2e434e01a2c,436592444c584ad1b5a679fc5ac3ef73,275b77c77344470ea771c19b8b2780c9,95f1235cef6842fd8204f1fb4ca40fa1
Dichtung 85mmØ für Salzbehälter AEG 899646069050/7 für Geschirrspüler
155555
Dichtung 85mmØ für Salzbehälter AEG 899646069050/7 für Geschirrspüler

Befindet sich an der Enthärtungsanlage (Salzbehälter) zwischen dem Gewindestutzen und der 6-kant-Mutter. Dichtungen,Salzbehälter
5be304e4b1264abb899df2e434e01a2c,436592444c584ad1b5a679fc5ac3ef73,275b77c77344470ea771c19b8b2780c9,3e9cf2ee74bd425fac13ec3e5bed7e89,e3df607a8730419d92d273dd5fd68b86
Klemme, Ablaufschlauch, D30mm (8078689018)
355692
Schlauch
5be304e4b1264abb899df2e434e01a2c,436592444c584ad1b5a679fc5ac3ef73,275b77c77344470ea771c19b8b2780c9,40ee0815bd1042dfa6b07fc66864eca1
Drehschalter-Dichtring für Geschirrspüler (8996698067437)
356883
Dichtungen,Bedienteil
5be304e4b1264abb899df2e434e01a2c,436592444c584ad1b5a679fc5ac3ef73,275b77c77344470ea771c19b8b2780c9,3e9cf2ee74bd425fac13ec3e5bed7e89,6930dd2ea7744e0eaca3dce9b44bb0d4
Geschirrspülerdichtung (4006078093)
350727
Dichtung, Verteiler Electrolux 4006078093 für Geschirrspüler

Dichtungen,Türdichtung
5be304e4b1264abb899df2e434e01a2c,436592444c584ad1b5a679fc5ac3ef73,275b77c77344470ea771c19b8b2780c9,3e9cf2ee74bd425fac13ec3e5bed7e89,916ee1c443ef40e4851d064c573dca26
Klarspülkammerdeckel passend für AEG 4006045613 BLUPARTS in Geschirrspüler
11059315
Klarspülkammerdeckel passend für AEG 4006045613 BLUPARTS in Geschirrspüler

AtternativTeil BLUPARTS u.a. passend für Electrolux-Konzern/AEG.. 4006045613 Dosierkammer
5be304e4b1264abb899df2e434e01a2c,436592444c584ad1b5a679fc5ac3ef73,275b77c77344470ea771c19b8b2780c9,51d1adca2c4b4c208fb873979695daf0
Aluminiumverkleidung für Geschirrspüler (140030693059)
344329
KUNSTSTOFF, DAMPF, SCHUTZ, L=750M 140030693059

Gehäuseteile
5be304e4b1264abb899df2e434e01a2c,436592444c584ad1b5a679fc5ac3ef73,275b77c77344470ea771c19b8b2780c9,6f364c83e8954316926998e24fee04f5
Scharnier links (8996460830905)
356174
Türscharnier
5be304e4b1264abb899df2e434e01a2c,436592444c584ad1b5a679fc5ac3ef73,275b77c77344470ea771c19b8b2780c9,8c476ac1fee2492eac0ace43254db03a
Dichtung (8996460444608)
356167
Zubehör
5be304e4b1264abb899df2e434e01a2c,436592444c584ad1b5a679fc5ac3ef73,275b77c77344470ea771c19b8b2780c9,5ae60379a8ad4940a07e4c25cb127c70
Druckwächter 1-fach 899646403315 AEG, Electrolux, Juno, Zanussi
152531
Druckwächter AEG 899646403315/9 einfach für Geschirrspüler

Wird auch als Ersatz für Druckwächter mit Rast-5-Stecker-Anschluss verwendet.
Dazu muss der Rast-5-Stecker abgeschnitten und drei Flachstecker 6,3 mm angeschlagen werden. Die Kontaktbelegung erfolgt dann entsprechend dem beiliegenden Schaltbild.
Passender Schlauch für diesen Druckwächter siehe Europart-Nr. 771345 Druckwächter
5be304e4b1264abb899df2e434e01a2c,436592444c584ad1b5a679fc5ac3ef73,275b77c77344470ea771c19b8b2780c9,80715576eae74b94b5a81231f463113a
Schlauch Verbindungsschlauch 899646094000 AEG, Electrolux, Juno, Zanussi
173577
Verbindungsschlauch AEG 899646094000/1 für Geschirrspüler

Sitzt zwischen Steigrohr und Umwälzpumpe. Schlauch
5be304e4b1264abb899df2e434e01a2c,436592444c584ad1b5a679fc5ac3ef73,275b77c77344470ea771c19b8b2780c9,40ee0815bd1042dfa6b07fc66864eca1
Oberer Sprüharm für Geschirrspüler (8996460830301)
356173
Sprüharm
5be304e4b1264abb899df2e434e01a2c,436592444c584ad1b5a679fc5ac3ef73,275b77c77344470ea771c19b8b2780c9,8a26d46fbdc34633b4fe038be27b486c
Drehschalter für Geschirrspüler (8996461002116)
356189
Pumpe
5be304e4b1264abb899df2e434e01a2c,436592444c584ad1b5a679fc5ac3ef73,275b77c77344470ea771c19b8b2780c9,a6fc36f119c94834891177d39aebb5e1
Schlauchklemme für Waschmaschinen (8996699177706)
356904
Schlauch
5be304e4b1264abb899df2e434e01a2c,47067e90b5dc4b1d9f40bc3cdd7c85c3,3017057ce80b4d85aae42a1e4928e81a,9b40cbb94bff43dabac2f2dd6244b7e4
Druckgefäß AEG 407134098/0 für Geschirrspüler
152403
Druckgefäß AEG 407134098/0 für Geschirrspüler

Im Wechsel mit Best.-Nr. 104854 eingebaut - bitte auf Geräte-E-Nummer achten. Wassertasche
5be304e4b1264abb899df2e434e01a2c,436592444c584ad1b5a679fc5ac3ef73,275b77c77344470ea771c19b8b2780c9,606a3c15c7764c98b27b232dc083839d
Mutter 6-Kant (8996460638308)
356171
Salzbehälter
5be304e4b1264abb899df2e434e01a2c,436592444c584ad1b5a679fc5ac3ef73,275b77c77344470ea771c19b8b2780c9,e3df607a8730419d92d273dd5fd68b86
Schalter Druck (8996460846000)
356179
Tür
5be304e4b1264abb899df2e434e01a2c,436592444c584ad1b5a679fc5ac3ef73,275b77c77344470ea771c19b8b2780c9,b3a18cc8734147fcaa878cba5c92088e
Verlaengerung links (8996460926307)
356183
Zubehör
5be304e4b1264abb899df2e434e01a2c,436592444c584ad1b5a679fc5ac3ef73,275b77c77344470ea771c19b8b2780c9,5ae60379a8ad4940a07e4c25cb127c70
Rastkerbe für Geschirrspüler (8996461945405)
356279
Tür
5be304e4b1264abb899df2e434e01a2c,436592444c584ad1b5a679fc5ac3ef73,275b77c77344470ea771c19b8b2780c9,b3a18cc8734147fcaa878cba5c92088e
O-Ring-Satz 2-Teil. (8996464030361)
356292
Dichtungen
5be304e4b1264abb899df2e434e01a2c,436592444c584ad1b5a679fc5ac3ef73,275b77c77344470ea771c19b8b2780c9,3e9cf2ee74bd425fac13ec3e5bed7e89
Scharnier rechts (8996460831002)
356175
Türscharnier
5be304e4b1264abb899df2e434e01a2c,436592444c584ad1b5a679fc5ac3ef73,275b77c77344470ea771c19b8b2780c9,8c476ac1fee2492eac0ace43254db03a
Anschlussdose (8996464031328)
356293
Steuerung
5be304e4b1264abb899df2e434e01a2c,47067e90b5dc4b1d9f40bc3cdd7c85c3,3017057ce80b4d85aae42a1e4928e81a,c9c32be946124357bc1bf3c3c802e6da
2-poliger Anschlussstecker für Waschmaschinen (8996698079119)
356891
Gehäuseteile
5be304e4b1264abb899df2e434e01a2c,47067e90b5dc4b1d9f40bc3cdd7c85c3,3017057ce80b4d85aae42a1e4928e81a,9ce6ec1135bc42c0bda211d7d24a82e1
Litze Rast 5 700mm Ang (8996461115264)
356196
Steuerung
5be304e4b1264abb899df2e434e01a2c,47067e90b5dc4b1d9f40bc3cdd7c85c3,3017057ce80b4d85aae42a1e4928e81a,c9c32be946124357bc1bf3c3c802e6da
Dichtung (8996460627202)
356170
Zubehör
5be304e4b1264abb899df2e434e01a2c,436592444c584ad1b5a679fc5ac3ef73,275b77c77344470ea771c19b8b2780c9,5ae60379a8ad4940a07e4c25cb127c70
Heizkörperhalterungs-Mutter für Geschirrspüler (8997801149005)
357034
Mutter 8997801149005

Heizelement
5be304e4b1264abb899df2e434e01a2c,436592444c584ad1b5a679fc5ac3ef73,275b77c77344470ea771c19b8b2780c9,1c35d1dd9f3c49b5a64535a632fbcdf9
Unterer Geschirrspüler-Sprüharm (8996464031336)
356294
Sprüharm
5be304e4b1264abb899df2e434e01a2c,436592444c584ad1b5a679fc5ac3ef73,275b77c77344470ea771c19b8b2780c9,8a26d46fbdc34633b4fe038be27b486c
Unterlegscheiben-Kit für AEG Geschirrspüler 50277308008 (10 Stck.) Befestigung
10032739

KIT,UNTERLEGSCHEIBE,10 STCK. 50277308008 Originalersatzteil von AEG

Originalteil von AEG KIT,UNTERLEGSCHEIBE,10 STCK. 50277308008

Sondersortiment
5be304e4b1264abb899df2e434e01a2c,436592444c584ad1b5a679fc5ac3ef73,275b77c77344470ea771c19b8b2780c9,c8777649a8d244adbf3354e7205bc8a8
ersatzteilshop.de
4.9
Trustpilot Rating
basierend auf 8817 zertifizierten Bewertungen von zufriedenen Kunden
powered by Google and Trustpilot
Tobias Potocki-Meier
Tobias Potocki-Meier vor einem Monat
Ich habe ein neues Heizelement für unseren Beko Backofen bestellt. Der Preis war sehr gut, der Versand erfolgte zügig per DHL. Das Teil war ordentlich verpackt, passt perfekt und der Backofen kann nun seine Dienste wieder perfekt verrichten.
Martin Zache
Martin Zache in der letzten Woche
Ich war auf der Suche nach einer Tür für meinen Wäschetrockner und wurde hier fündig. Der Bestellvorgang verlief problemlos. Die Lieferzeit betrug etwas länger als auf der Homepage angegeben. Im speziellen Fall war das aber erwartbar, da die Tür bei anderen Anbietern mehrere Wochen Lieferzeit hatte. Die Tür kam gut verpackt bei mir an und war schnell montiert. Alles in allem ein empfehlenswerter Anbieter von Ersatzteilen. Vielen Dank.
Barbara Zägel
Barbara Zägel in der letzten Woche
Die Bestellung wurde schnell und zu meiner vollsten Zufriedenheit erledigt. Die Suche nach dem passenden Ersatzteil für meinen Kühlschrank war über das Typenschild sehr einfach. Die Lieferung erfolgte sehr zügig und das Ablagefach für die Kühlschranktür passte ganz genau. Ich würde jederzeit wieder bei dieser Firma bestellen.
Heinz-Werner Engels
Heinz-Werner Engels vor 3 Monaten
Super schnelle Lieferung des so viel preisgünstigeren Alternativ-Ersatzteils. Austausch gut geklappt. Das Ventil passt einwandfrei, eine gute und günstige Reparatur unserer alten Waschmaschine. Meine Frau ist wieder happy.
Peggy Emmrich
Peggy Emmrich vor einem Monat
Es ist so toll. Endlich kann ich wieder meine Bosch My Moments Kaffeemaschine benutzen. Die Kaffeekanne war sehr sehr gut abgesichert und verpackt. Das war wirklich top. Diesen Service ist zu empfehlen. Der Shop ist nur zu empfehlen wenn man etwas sucht und nicht komplett neu kaufen möchte.
Mehr ansehen >
Trustpilot
Trustpilot Rating
Hervorragend
4.9/5.00