Kontaktformular
Whatsapp
Warenkorb
Hamburger Icon

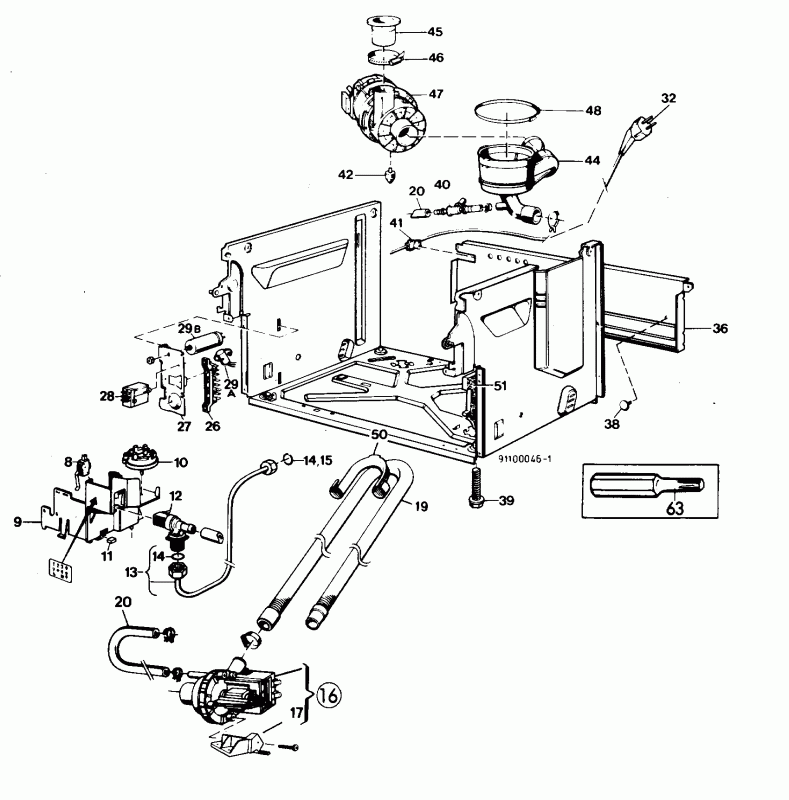
Ersatzteile für Unbekannt VA 6010 M 1 (91145730100)

Marke
Unbekannt
Modell
VA 6010 M 1
Modellnummer
91145730100
Kategorie
Geschirrspüler
Position data Position number Product category ids
Spülmaschinen-Systempflege Hotrega 250ml 110310
154936

Systempflege HOTREGA H110310 für Geschirrspüler 250ml

Spezialprodukt für intensive Sauberkeit und optimalen Werterhalt.
- Wirksam gegen Kalk, Fett und Ablagerungen aller Art
- Schützt vor Funktionsstörungen
- Für perfekte Hygiene und optimalen Werterhalt
Wirksame Systempflege mit innovativer 3-fach-Formel:
1. Hochaktive Reinigungskomponenten ent fernen mühelos und nachhaltig Kalk, Fett, unangenehme Gerüche und Ablagerungen aller Art.
2. Spezielle Korrosionsinhibitoren schützen die Metallteile in der Maschine.
3. Langzeit-Pflegestoffe halten die Gummiteile dauerhaft elastisch.
Regelmäßige Anwendung (alle 1–2 Monate) sichert eine perfekte energiesparende Leistung der Maschine und optimale Spülergebnisse.
Anwendung:
1. Filtersieb der Maschine reinigen.
2. Etikett vom Verschluss der Flasche abziehen, aber Verschluss nicht aufdrehen.
3. Flasche mit Verschluss nach unten standsicher in den Besteckkorb stellen.
4. Spülmaschine ohne Geschirr und Geschirr-Reiniger mit Normalprogramm bei 65 °C in Betrieb nehmen.
Der Inhalt der Flasche ist ausreichend für eine Anwendung.

Spülmaschinenreiniger
5be304e4b1264abb899df2e434e01a2c,436592444c584ad1b5a679fc5ac3ef73,275b77c77344470ea771c19b8b2780c9,e04f850016cb4b58bdde2847db9b5c59
Magnetventil 1-fach 90° 11,5mmØ, Universal! AEG, Electrolux, Juno, Zanussi
153445
Magnetventil 1-fach 90° 11,5mmØ Universal

Universal: Universell einsetzbarer Alternativartikel Bitte Maße/Werte vergleichen.
Befestigung in 90°-Schritten verstellbar.
Eingang und Ausgang sind reduzierbar, siehe Variantentypen.
Eine Seite Zulaufschlauch-Anschluss mit 3/4"-Gewinde. Einlassventil
5be304e4b1264abb899df2e434e01a2c,47067e90b5dc4b1d9f40bc3cdd7c85c3,3017057ce80b4d85aae42a1e4928e81a,448edcf10e7244f193345c5fac802a16
Magnetventil Bitron/ Elbi 33190150 für Kühlschrank Bitron/ Elbi
11051349
Magnetventil Bitron/ Elbi 33190150 für Kühlschrank Bitron/ Elbi

Einlassventil
5be304e4b1264abb899df2e434e01a2c,47067e90b5dc4b1d9f40bc3cdd7c85c3,3017057ce80b4d85aae42a1e4928e81a,448edcf10e7244f193345c5fac802a16
Oberer Sprüharm für Geschirrspüler (komplett) (1504532001)
359510
Sprüharm
5be304e4b1264abb899df2e434e01a2c,436592444c584ad1b5a679fc5ac3ef73,275b77c77344470ea771c19b8b2780c9,8a26d46fbdc34633b4fe038be27b486c
Geschirrspülerdichtung (1501969008)
359502
Dichtungen,Türdichtung
5be304e4b1264abb899df2e434e01a2c,436592444c584ad1b5a679fc5ac3ef73,275b77c77344470ea771c19b8b2780c9,3e9cf2ee74bd425fac13ec3e5bed7e89,916ee1c443ef40e4851d064c573dca26
Rohrverbindungsmutter für Geschirrspüler (1509516009)
344763
Gehäuseteile
5be304e4b1264abb899df2e434e01a2c,436592444c584ad1b5a679fc5ac3ef73,f756a4183a79405fae9310bb7a94bc2a,123ebedf6fda4c68aa9e203b61389775
Mikroschalter für Geschirrspüler 1501814006 Originalersatzteil von AEG
10032719

Mikroschalter für Geschirrspüler 1501814006 Originalersatzteil von AEG

Originalteil von AEG Mikroschalter für Geschirrspüler 1501814006

Schalter
5be304e4b1264abb899df2e434e01a2c,436592444c584ad1b5a679fc5ac3ef73,275b77c77344470ea771c19b8b2780c9,a093451999a4484290e5b99d6ab41327
1504289008 STEIGROHR
2157542
1504289008 STEIGROHR Anschlussteile,Rohre
21eca73c072f4f9ebcb86d1cc84e6a7b,91e1ff312a064ac0a269b6ca37fde0f5
1502403007 LAGER
5028127
1502403007 LAGER Lager
ffc00158b82a44ccbe81589b5362a84f
6040086032 DRUCKWÄCHTERSCHLAUCH 1400MM
1111257
6040086032 DRUCKWÄCHTERSCHLAUCH 1400MM Anschlussteile,Schlauch
21eca73c072f4f9ebcb86d1cc84e6a7b,40ee0815bd1042dfa6b07fc66864eca1
1502387002 KORBROHR
2081805
1502387002 KORBROHR Anschlussteile,Rohre
21eca73c072f4f9ebcb86d1cc84e6a7b,91e1ff312a064ac0a269b6ca37fde0f5
1501433005 DICHTUNGSRING
256435
1501433005 DICHTUNGSRING Gehäuseteile,Ringe
3ff1bad0d4ca47bbb8b0066a036a84d2,225f81d67db8497e87a573e55f77847f
1502618901 HZG 230V 1+1,9KW
260626
1502618901 HZG 230V 1+1,9KW Heiz und Kühlelemente
b1460e151c5e41e2ae0c8780dba8a6a3
MAGNETVENTIL 1-FACH 90° 12MM AUSLAUF
284936
MAGNETVENTIL 1-FACH 90° 12MM AUSLAUF Ventile,Magnetventile
5e7747f201f9403da8ffbb5186d3c28b,5e7747f201f9403da8ffbb5186d3c28b
6040046036 DICHTUNG 3/4ZOLL
3163343
6040046036 DICHTUNG 3/4ZOLL Dichtungen
8a591e395d7a4bf7bd2c3fca81ae2d8c
0225 ZULAUFSCHLAUCH 60BAR 2,5M GERADE/WINKEL
333189
0225 ZULAUFSCHLAUCH 60BAR 2,5M GERADE/WINKEL Anschlussteile,Schlauch,Einlaufschlauch
21eca73c072f4f9ebcb86d1cc84e6a7b,40ee0815bd1042dfa6b07fc66864eca1,07c13b2457234f4f9a16bb258c26edd1
DICHTRING/DICHTUNG ZULAUFSCHLAUCH 3/4 ZOLL
333388
DICHTRING/DICHTUNG ZULAUFSCHLAUCH 3/4 ZOLL Dichtungen
8a591e395d7a4bf7bd2c3fca81ae2d8c
1502393000 GROBSIEB
399327
1502393000 GROBSIEB Filter mechanisch,Siebe,Sieb Geschirrspüler
386b17d3629f4f80aa1ef7537e72301a,6203423ecb63427694d641813b307aa8,6203423ecb63427694d641813b307aa8
1503023002 DICHTUNG
407076
1503023002 DICHTUNG Dichtungen
8a591e395d7a4bf7bd2c3fca81ae2d8c
1118228004 BESTECKKORB, GRAU 245X160X225MM
4706854
1118228004 BESTECKKORB, GRAU 245X160X225MM Gehäuseteile,Korb,Besteckkörbe
3ff1bad0d4ca47bbb8b0066a036a84d2,bf2f260ba7b945469083e5e4a6d63380,95f1235cef6842fd8204f1fb4ca40fa1
16700024 EINOHRKLEMME DURCHMESSERBEREICH 17,80-21,00MM
5005070
16700024 EINOHRKLEMME DURCHMESSERBEREICH 17,80-21,00MM Befestigungsteile
f71f8cec9fb74b7dbf6f3e660a16b372
16700033 EINOHRKLEMME DURCHMESSERBEREICH 23,90-27,10MM
5005194
16700033 EINOHRKLEMME DURCHMESSERBEREICH 23,90-27,10MM Befestigungsteile
f71f8cec9fb74b7dbf6f3e660a16b372
SCHLAUCHSCHELLE 16/25MM INOX
5415826
SCHLAUCHSCHELLE 16/25MM INOX Befestigungsteile
f71f8cec9fb74b7dbf6f3e660a16b372
KSPPZ-10-2 X1Y2 1551263021 FILTER ENTSTÖRFILTER
9027288
KSPPZ-10-2 X1Y2 1551263021 FILTER ENTSTÖRFILTER Elektrische Bauteile,Filter Elektrisch
68f8a6a7a94c420c9b4deb0432e0dae5,354c94c26be947c7a4cdf13cf039b3e5
1051174207 SCHLAUCHKLEMME, 37,7-39,7MM
9027764
1051174207 SCHLAUCHKLEMME, 37,7-39,7MM Befestigungsteile
f71f8cec9fb74b7dbf6f3e660a16b372
1509541106 MUTTER
9640602
1509541106 MUTTER Befestigungsteile
f71f8cec9fb74b7dbf6f3e660a16b372
C00324319 481010439191 ZULAUFSCHLAUCH WARMWASSER 1,5M SLIM
F714638
C00324319 481010439191 ZULAUFSCHLAUCH WARMWASSER 1,5M SLIM Anschlussteile,Schlauch,Einlaufschlauch
21eca73c072f4f9ebcb86d1cc84e6a7b,40ee0815bd1042dfa6b07fc66864eca1,07c13b2457234f4f9a16bb258c26edd1
12600453 SCHLAUCHSCHELLE 16-25MM BANDSTÄRKE 0,6MM, BREITE 9MM
H972766
12600453 SCHLAUCHSCHELLE 16-25MM BANDSTÄRKE 0,6MM, BREITE 9MM Befestigungsteile
f71f8cec9fb74b7dbf6f3e660a16b372
ersatzteilshop.de
4.9
Trustpilot Rating
basierend auf 8760 zertifizierten Bewertungen von zufriedenen Kunden
powered by Google and Trustpilot
Konstantinos Katsaounis
Konstantinos Katsaounis vor 3 Wochen
Ich bin sehr zufrieden mit meiner Bestellung. Der Versand ging super schnell, das Ersatzteil hat perfekt gepasst und meine Spülmaschine läuft endlich wieder einwandfrei. Ich bin wirklich dankbar und werde auf jeden Fall wieder hier bestellen.👌🙏👍✅🔝🔝🔝 Liebe Grüße Konstantinos Katsaounis
Tobias Potocki-Meier
Tobias Potocki-Meier vor 2 Wochen
Ich habe ein neues Heizelement für unseren Beko Backofen bestellt. Der Preis war sehr gut, der Versand erfolgte zügig per DHL. Das Teil war ordentlich verpackt, passt perfekt und der Backofen kann nun seine Dienste wieder perfekt verrichten.
Peter Reske
Peter Reske vor 2 Wochen
Zu den von mir bestellten Produkten läßt sich nichts nachteiliges sagen. Produkte und Lieferzeit waren OK. Allein der Verpackungswahnsinn hat mich irritiert. Für zwei relativ kleine Filter für eine Abzugshaube wurden 3 Kartonagen benötigt, obwohl ein kleinerer Karton völlig ausreichend gewesen wäre. Leider habe ich keine Fotos gemacht, aber für die artgerechte Entsorgung habe ich einige Zeit benötigt.
Heinz-Werner Engels
Heinz-Werner Engels vor 2 Monaten
Super schnelle Lieferung des so viel preisgünstigeren Alternativ-Ersatzteils. Austausch gut geklappt. Das Ventil passt einwandfrei, eine gute und günstige Reparatur unserer alten Waschmaschine. Meine Frau ist wieder happy.
Peggy Emmrich
Peggy Emmrich vor 3 Wochen
Es ist so toll. Endlich kann ich wieder meine Bosch My Moments Kaffeemaschine benutzen. Die Kaffeekanne war sehr sehr gut abgesichert und verpackt. Das war wirklich top. Diesen Service ist zu empfehlen. Der Shop ist nur zu empfehlen wenn man etwas sucht und nicht komplett neu kaufen möchte.
Mehr ansehen >
Trustpilot
Trustpilot Rating
Hervorragend
4.9/5.00