Kontaktformular
Whatsapp
Warenkorb
Hamburger Icon

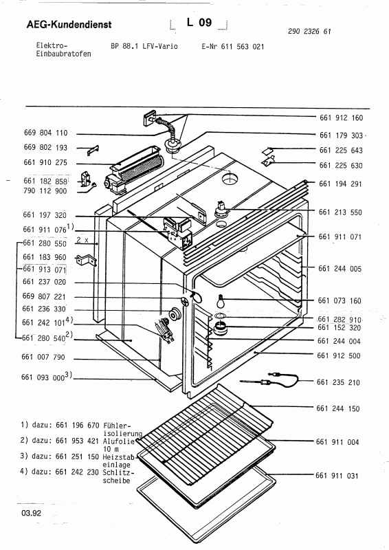
Ersatzteile für AEG Competence BP 881 LFV Vario (61156302100)

Marke
AEG
Modell
Competence BP 881 LFV Vario
Modellnummer
61156302100
Kategorie
Herd
Position data Position number Product category ids
Lampe E14 40W wie BOSCH 00057874 45mmØ 76mm 220/230V Kugelform universal für Backofen Mikrowelle
367945
Lampe E14 40W 45mmØ 75mm 220/230V Kugelform bis 300°C Universal für Backofen

Diese Speziallampe ist zur Raumbeleuchtung im Haushalt nicht geeignet.
Passend u.a. wie BSH-Gruppe 00057874 , Electrolux-Konzern 5027989000/3 , Miele 1929380 , Küppersbusch 503768
- Lichtstrom: 360 lumen
- mittlere Lebensdauer: 1000 h
- gewichteter Energieverbrauch: 40 kwh / 1000h
- dimmbar: Nein
- Lichtfarbe: Klar
- Werte: 40 Watt, 220/230 Volt
- Sockel: Gewinde E 14 (= 14 mm Außen-Ø)
- Sockellänge: 26 mm
- Glaskörper Ø: 45 mm
- Gesamtlänge: 75 mm
- Farbe: klar

Für erhöhte Umgebungstemperaturen (max. 300° C).
Kugellampe, u.a. auch als Kühlschranklampe verwendbar.

Hinweis zur Nutzung als Kühlschranklampe:
Wattzahl im Ersatzfall nicht erhöhen, wenn z. B. 10 Watt eingebaut, nicht 15 oder 25 Watt verwenden.
Führt zu Hitzeschäden an der Abdeckung für die Beleuchtung. Zum Teil brennt zur Unterstützung bei einigen Geräten während des Schaltzyklusses "Abtauen" die Innenraumbeleuchtung als Wärmequelle (statt der Abtauheizung). Lampe
5be304e4b1264abb899df2e434e01a2c,436592444c584ad1b5a679fc5ac3ef73,b78a4fd07db244319a0e959320868b6f,a496cae5aab04ab1805e57e29910f752
Heizelement wie AEG 899661912455/6 Heißluftheizung EGO 20.26850.010 für Backofen
154449
Heizelement wie AEG 899661912455/6 Heißluftheizung EGO 20.26850.010 für Backofen

AlternativTeil passend wie Electrolux-Konzern/AEG.. 899661912455/6 Whirlpool-Gruppe/Bauknecht.. 481225928104 Indesit-Company C00496964
Diese Rechteckform wird durch eine runde Form ersetzt. Passende Flanschdichtung: Best.-Nr. 802709.
Flansch: Breite x Höhe: 45x17 mm
Flansch: Befestigungsabstand (Lochabstand): 37 mm
Flansch: Anschlussabstand: 12 mm Heizelement,Heizelement,Heizelement
5be304e4b1264abb899df2e434e01a2c,436592444c584ad1b5a679fc5ac3ef73,c8ad32137fb34e3c899397ddeb15abcf,af6babb93db042e7b7fb7a417eca6410,b78a4fd07db244319a0e959320868b6f,6d2b38226ea94a35a1e3e096aa2b37fb,8145a3f4185e49f1b44b0245d031128f,b1460e151c5e41e2ae0c8780dba8a6a3
Backblech AEG 140100943038 für Backofen
10103670
Backblech AEG 140100943038 für Backofen

Dieses emaillierte Backofenblech ist u.a. auch passend wie Küppersbusch 527031
Es ist in Backöfen, in Kombigeräten wie Herden mit Mikrowellenfunktion sowie Gasherden eingesetzt. Backblech
5be304e4b1264abb899df2e434e01a2c,436592444c584ad1b5a679fc5ac3ef73,b78a4fd07db244319a0e959320868b6f,44b60e12d7e44d109093f31ace120433
Lampenabdeckungsdichtung 899661282910 AEG, Electrolux, Juno, Zanussi
154530
Dichtungsring für Lampenabdeckung AEG 8996612829102 in Backofen

Dieser dehnbare Dichtring ersetzt ggfs. die eingebaute "starre" Fiberdichtung. Dichtung,Dichtung,Lampe
5be304e4b1264abb899df2e434e01a2c,436592444c584ad1b5a679fc5ac3ef73,af6babb93db042e7b7fb7a417eca6410,b78a4fd07db244319a0e959320868b6f,06d81baa854849889a4cd139590da1f5,8a591e395d7a4bf7bd2c3fca81ae2d8c,a496cae5aab04ab1805e57e29910f752
Knebelfeder AEG 899661301300/3 Blattfeder 12x7,5mm für Drehgriff Backofen
155184
Knebelfeder AEG 899661301300/3 Original Blattfeder 12x7,5mm für Drehgriff Backofen Kochplatte Herd

OT: OriginalTeil Electrolux-Konzern/AEG.. 899661301300/3 Sitzt der Knebel nicht fest auf der Achse und springt bei Benutzung wieder ab, wird diese Feder zur besseren Fixierung in die Innenachse des Knebels gesteckt. Bedienknebel,Drehknopf,Knöpfe
5be304e4b1264abb899df2e434e01a2c,436592444c584ad1b5a679fc5ac3ef73,c8ad32137fb34e3c899397ddeb15abcf,af6babb93db042e7b7fb7a417eca6410,b78a4fd07db244319a0e959320868b6f,814109399fc44df98189c35e3125c804,81ee7b4ec1d34ce0b532b6e33613cf7c,d14c4d0e1daa4eba95c751e02fbbcdf6
Klixon SW115K (8996611828527)
356437
Thermostat,Thermostat
5be304e4b1264abb899df2e434e01a2c,436592444c584ad1b5a679fc5ac3ef73,af6babb93db042e7b7fb7a417eca6410,b78a4fd07db244319a0e959320868b6f,2ac90b2c333941df9c8b18b5c1edc4e6,33e176b311a449a8841080b4e498849e
Schlauchklemme (1051174207)
340910
Schlauch
5be304e4b1264abb899df2e434e01a2c,436592444c584ad1b5a679fc5ac3ef73,275b77c77344470ea771c19b8b2780c9,40ee0815bd1042dfa6b07fc66864eca1
Fleischthermometerbuchse für Backöfen (3051761017)
348406
Sondensockel, 3-polig 3051761017

Thermometer
5be304e4b1264abb899df2e434e01a2c,d72d57d019ea4181a37d780bae1c4db6,a8c1cd6ba3904b2188cdfbd89df24a62,eb4db123efc748baa76d85cc204a7420
Fleischthermometer Electrolux 305176021/7 für Backofen
348405
Fleischthermometer Electrolux 305176021/7 für Backofen

Thermometer,Sondersortiment
5be304e4b1264abb899df2e434e01a2c,47067e90b5dc4b1d9f40bc3cdd7c85c3,5645d8a4adcc4742bc16d5bb750ff4a4,64376972a70f493b92312b4e450aebaf,e243176d6ad44d0bb3b9451538958bee
Regler (8996611883415)
356444
Thermostat AEG 899661188341/5 EGO 55.13063.060 für Backofen 8996611883415

Thermostat,Thermostat
5be304e4b1264abb899df2e434e01a2c,436592444c584ad1b5a679fc5ac3ef73,af6babb93db042e7b7fb7a417eca6410,b78a4fd07db244319a0e959320868b6f,2ac90b2c333941df9c8b18b5c1edc4e6,33e176b311a449a8841080b4e498849e
Taste-Uhr WE (8996612395716)
356471
Drehknopf,Knöpfe
5be304e4b1264abb899df2e434e01a2c,436592444c584ad1b5a679fc5ac3ef73,af6babb93db042e7b7fb7a417eca6410,b78a4fd07db244319a0e959320868b6f,81ee7b4ec1d34ce0b532b6e33613cf7c,d14c4d0e1daa4eba95c751e02fbbcdf6
Hzg 220V 1KW (8996619125470)
356592
Heizelement,Heizelement
5be304e4b1264abb899df2e434e01a2c,436592444c584ad1b5a679fc5ac3ef73,af6babb93db042e7b7fb7a417eca6410,b78a4fd07db244319a0e959320868b6f,8145a3f4185e49f1b44b0245d031128f,b1460e151c5e41e2ae0c8780dba8a6a3
Fleischthermometerbuchse für Backöfen 3051761017 Originalersatzteil von AEG
10032404

Fleischthermometerbuchse für Backöfen 3051761017 Originalersatzteil von AEG

Originalteil von AEG Fleischthermometerbuchse für Backöfen 3051761017

Electrolux ungepflegt
5be304e4b1264abb899df2e434e01a2c,2191fbdc920b4a25af306eb17d62adc0,c56d9a32f06b426584727cb2b08a0cf8
Heizkörperhalterungs-Mutter für Geschirrspüler (8997801149005)
357034
Mutter 8997801149005

Heizelement
5be304e4b1264abb899df2e434e01a2c,436592444c584ad1b5a679fc5ac3ef73,275b77c77344470ea771c19b8b2780c9,1c35d1dd9f3c49b5a64535a632fbcdf9
Stellknopf WE (8996612395815)
356472
Drehknopf,Knöpfe
5be304e4b1264abb899df2e434e01a2c,436592444c584ad1b5a679fc5ac3ef73,af6babb93db042e7b7fb7a417eca6410,b78a4fd07db244319a0e959320868b6f,81ee7b4ec1d34ce0b532b6e33613cf7c,d14c4d0e1daa4eba95c751e02fbbcdf6
Zugfeder (8996610959505)
356420
Gehäuseteile
5be304e4b1264abb899df2e434e01a2c,436592444c584ad1b5a679fc5ac3ef73,b78a4fd07db244319a0e959320868b6f,0f403b441d5e454e854b225f1dde6454
Scharnier für Backofentüren (8996611809501)
356435
Scharnier,Türscharnier
5be304e4b1264abb899df2e434e01a2c,436592444c584ad1b5a679fc5ac3ef73,b78a4fd07db244319a0e959320868b6f,a8bdd0494f7842e48075eed014b9e19d,6eb1b2ea01de457eaa61b071d760d41f,957af8cd1b5942e08ad8114c03aaa211
Verbindungsbrücke für Herde (8996698013555)
356875
Schalter,Elektronik,Elektronik,Schalter,Steuerungsmodul
5be304e4b1264abb899df2e434e01a2c,436592444c584ad1b5a679fc5ac3ef73,af6babb93db042e7b7fb7a417eca6410,b78a4fd07db244319a0e959320868b6f,c8ad32137fb34e3c899397ddeb15abcf,02fa0862b2ab4d07aabb305613a604d6,68f8a6a7a94c420c9b4deb0432e0dae5,9df0271eefa04ad9805b5415b12405d1,a3c076d7abfe433eb1188184f9cad3e3,b432eb0cb7344f3597e2f44f751aa783
ersatzteilshop.de
4.9
Trustpilot Rating
basierend auf 8475 zertifizierten Bewertungen von zufriedenen Kunden
powered by Google and Trustpilot
Heinz-Werner Engels
Heinz-Werner Engels vor 3 Wochen
Super schnelle Lieferung des so viel preisgünstigeren Alternativ-Ersatzteils. Austausch gut geklappt. Das Ventil passt einwandfrei, eine gute und günstige Reparatur unserer alten Waschmaschine. Meine Frau ist wieder happy.
Bernd Ungethüm
Bernd Ungethüm vor 2 Wochen
Sehr schnelle und gute Lieferung. Kohlefilter mit Rahmen 00460478 passt perfekt zu Unterbauhaube von Bosch DHS 630S entgegen der Aussage im Onlineshop. Bin sehr zufrieden. Paket kam leider vor der Versandinformationen. Aber besser so als Umgekehrt. Werde mir noch 2 reine Kohlefilter bestellen. Firma ist sehr empfehlenswert.
Alexander W.
Alexander W. vor 3 Monaten
Es muss nicht immer alles aus dem Amazonas kommen. Auf der Suche nach einer neuen Laugenpumpe für meine Waschmaschine bin ich auf den Ersatzteilshop aufmerksam geworden. Produktnummern, Modelle, etc. wurden gut sortiert und übersichtlich aufgeführt, sodass ich selbst als Laie mit hoher Zuverlässigkeit ein passendes Ersatzteil auswählen konnte. Der Versand lief reibungslos und schnell mit DHL. Bereits nächsten Tag kam das Paket und die Waschmaschine läuft wieder. Ich bin sehr zufrieden und freue mich, dass so ein tolles Angebot sogar aus meiner Heimat kommt. Hätte ich das vorher gesehen, wäre ich einfach persönlich vorbei gekommen. 🤣 Danke für euer tolles Angebot.
Ganevs
Ganevs vor 3 Monaten
Hätte nicht erwartet, für einen ü20 Jahre alten Backofen von Bauknecht noch passende Ersatzteile zu bekommen. Bin hier fündig geworden, das Ersatzteil (Bedieneinheit) passt, der Backofen hat keine Macken mehr. Top! Versand und Kommunikation auch sehr gut! Danke!
Lars Kreimendahl
Lars Kreimendahl vor einer Woche
Die Ersatzteile lassen sich auf der Webseite mit Hilfe des Typenschildes kinderleicht finden. Im Warenkorb lässt sich ebenso nochmals ein Abgleich vornehmen. Die Lieferung erfolgte innerhalb weniger Tage. Der Einbau war etwas fummelig aber mit Geduld gut machbar. Die Installationsvideos helfen a den benötigten Stellen.
Mehr ansehen >
Trustpilot
Trustpilot Rating
Hervorragend
4.9/5.00