Kontaktformular
Whatsapp
Warenkorb
Hamburger Icon

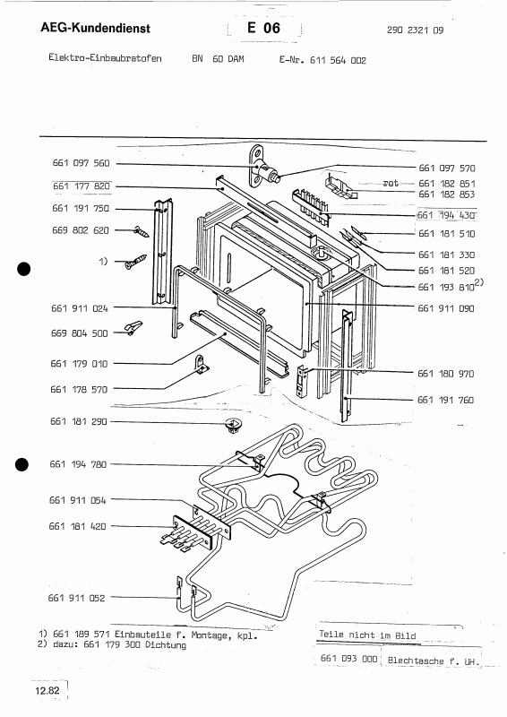
Ersatzteile für AEG Competence BN 60 DAM (61156400200)

Marke
AEG
Modell
Competence BN 60 DAM
Modellnummer
61156400200
Kategorie
Herd
Position data Position number Product category ids
Lampe E14 40W wie BOSCH 00057874 45mmØ 76mm 220/230V Kugelform universal für Backofen Mikrowelle
367945
Lampe E14 40W 45mmØ 75mm 220/230V Kugelform bis 300°C Universal für Backofen

Diese Speziallampe ist zur Raumbeleuchtung im Haushalt nicht geeignet.
Passend u.a. wie BSH-Gruppe 00057874 , Electrolux-Konzern 5027989000/3 , Miele 1929380 , Küppersbusch 503768
- Lichtstrom: 360 lumen
- mittlere Lebensdauer: 1000 h
- gewichteter Energieverbrauch: 40 kwh / 1000h
- dimmbar: Nein
- Lichtfarbe: Klar
- Werte: 40 Watt, 220/230 Volt
- Sockel: Gewinde E 14 (= 14 mm Außen-Ø)
- Sockellänge: 26 mm
- Glaskörper Ø: 45 mm
- Gesamtlänge: 75 mm
- Farbe: klar

Für erhöhte Umgebungstemperaturen (max. 300° C).
Kugellampe, u.a. auch als Kühlschranklampe verwendbar.

Hinweis zur Nutzung als Kühlschranklampe:
Wattzahl im Ersatzfall nicht erhöhen, wenn z. B. 10 Watt eingebaut, nicht 15 oder 25 Watt verwenden.
Führt zu Hitzeschäden an der Abdeckung für die Beleuchtung. Zum Teil brennt zur Unterstützung bei einigen Geräten während des Schaltzyklusses "Abtauen" die Innenraumbeleuchtung als Wärmequelle (statt der Abtauheizung). Lampe
5be304e4b1264abb899df2e434e01a2c,436592444c584ad1b5a679fc5ac3ef73,b78a4fd07db244319a0e959320868b6f,a496cae5aab04ab1805e57e29910f752
Heizelement Unterhitze 1200W 230V wie AEG 899661911052/2 für Backofen 8996619110522
154445

Heizelement Unterhitze 1200W 230V wie AEG 899661911052/2 für Backofen

AT: AlternativTeil, passend u.a. wie Electrolux-Konzern/AEG.. 899661911052/2, Whirlpool-Gruppe/Bauknecht.. 481225928123 Indesit-Company C00481499

Dieses Ersatzteil passt exakt wie das Vorgänger-Teil mit der Herstellernummer 8996619110522

Heizelement,Heizelement,Heizelement
5be304e4b1264abb899df2e434e01a2c,436592444c584ad1b5a679fc5ac3ef73,c8ad32137fb34e3c899397ddeb15abcf,af6babb93db042e7b7fb7a417eca6410,b78a4fd07db244319a0e959320868b6f,6d2b38226ea94a35a1e3e096aa2b37fb,8145a3f4185e49f1b44b0245d031128f,b1460e151c5e41e2ae0c8780dba8a6a3
Lampenabdeckungsdichtung 899661282910 AEG, Electrolux, Juno, Zanussi
154530
Dichtungsring für Lampenabdeckung AEG 8996612829102 in Backofen

Dieser dehnbare Dichtring ersetzt ggfs. die eingebaute "starre" Fiberdichtung. Dichtung,Dichtung,Lampe
5be304e4b1264abb899df2e434e01a2c,436592444c584ad1b5a679fc5ac3ef73,af6babb93db042e7b7fb7a417eca6410,b78a4fd07db244319a0e959320868b6f,06d81baa854849889a4cd139590da1f5,8a591e395d7a4bf7bd2c3fca81ae2d8c,a496cae5aab04ab1805e57e29910f752
Kontakthülse für Backofenschalter (8996698045409)
356880
Schalter,Elektronik,sonstige Bauteile,Elektronik,Schalter,Steuerungsmodul
5be304e4b1264abb899df2e434e01a2c,436592444c584ad1b5a679fc5ac3ef73,af6babb93db042e7b7fb7a417eca6410,b78a4fd07db244319a0e959320868b6f,c8ad32137fb34e3c899397ddeb15abcf,02fa0862b2ab4d07aabb305613a604d6,68f8a6a7a94c420c9b4deb0432e0dae5,6f25534428d54d338dbbf140bd781284,9df0271eefa04ad9805b5415b12405d1,a3c076d7abfe433eb1188184f9cad3e3,b432eb0cb7344f3597e2f44f751aa783
Kontaktstift für Backöfen (8996698045300)
356879
Elektronik,Elektronik,Steuerungsmodul
5be304e4b1264abb899df2e434e01a2c,436592444c584ad1b5a679fc5ac3ef73,b78a4fd07db244319a0e959320868b6f,af6babb93db042e7b7fb7a417eca6410,c8ad32137fb34e3c899397ddeb15abcf,68f8a6a7a94c420c9b4deb0432e0dae5,9df0271eefa04ad9805b5415b12405d1,b432eb0cb7344f3597e2f44f751aa783
Klixon SW115K (8996611828527)
356437
Thermostat,Thermostat
5be304e4b1264abb899df2e434e01a2c,436592444c584ad1b5a679fc5ac3ef73,af6babb93db042e7b7fb7a417eca6410,b78a4fd07db244319a0e959320868b6f,2ac90b2c333941df9c8b18b5c1edc4e6,33e176b311a449a8841080b4e498849e
Schlauchklemme (1051174207)
340910
Schlauch
5be304e4b1264abb899df2e434e01a2c,436592444c584ad1b5a679fc5ac3ef73,275b77c77344470ea771c19b8b2780c9,40ee0815bd1042dfa6b07fc66864eca1
AEG Heizelement Unterhitze 1200W 230V, NF! OT! 899661911052
173853

Heizung Unterhitze AEG 8996619110522 für Backofen

Backofenheizung für die Unterhitze
- Breite: 365 mm
- Tiefe bis Flansch: 375 mm
- Flansch Breite: 57 mm
- Flansch Höhe: 14 mm
- Flansch Tiefe: 20 mm
- Werte: 1200 Watt, 230 Volt

Heizelement,Heizelement,Heizelement
5be304e4b1264abb899df2e434e01a2c,436592444c584ad1b5a679fc5ac3ef73,c8ad32137fb34e3c899397ddeb15abcf,af6babb93db042e7b7fb7a417eca6410,b78a4fd07db244319a0e959320868b6f,6d2b38226ea94a35a1e3e096aa2b37fb,8145a3f4185e49f1b44b0245d031128f,b1460e151c5e41e2ae0c8780dba8a6a3
ersatzteilshop.de
4.9
Trustpilot Rating
basierend auf 8445 zertifizierten Bewertungen von zufriedenen Kunden
powered by Google and Trustpilot
Heinz-Werner Engels
Heinz-Werner Engels vor 2 Wochen
Super schnelle Lieferung des so viel preisgünstigeren Alternativ-Ersatzteils. Austausch gut geklappt. Das Ventil passt einwandfrei, eine gute und günstige Reparatur unserer alten Waschmaschine. Meine Frau ist wieder happy.
Bernd Ungethüm
Bernd Ungethüm vor einer Woche
Sehr schnelle und gute Lieferung. Kohlefilter mit Rahmen 00460478 passt perfekt zu Unterbauhaube von Bosch DHS 630S entgegen der Aussage im Onlineshop. Bin sehr zufrieden. Paket kam leider vor der Versandinformationen. Aber besser so als Umgekehrt. Werde mir noch 2 reine Kohlefilter bestellen. Firma ist sehr empfehlenswert.
Alexander W.
Alexander W. vor 2 Monaten
Es muss nicht immer alles aus dem Amazonas kommen. Auf der Suche nach einer neuen Laugenpumpe für meine Waschmaschine bin ich auf den Ersatzteilshop aufmerksam geworden. Produktnummern, Modelle, etc. wurden gut sortiert und übersichtlich aufgeführt, sodass ich selbst als Laie mit hoher Zuverlässigkeit ein passendes Ersatzteil auswählen konnte. Der Versand lief reibungslos und schnell mit DHL. Bereits nächsten Tag kam das Paket und die Waschmaschine läuft wieder. Ich bin sehr zufrieden und freue mich, dass so ein tolles Angebot sogar aus meiner Heimat kommt. Hätte ich das vorher gesehen, wäre ich einfach persönlich vorbei gekommen. 🤣 Danke für euer tolles Angebot.
S. B.
S. B. vor 2 Wochen
Super! Dank Tutorials und genauen Beschreibungen, wie ich das exakt richtige Ersatzteil bekomme habe ich den Fehler an der Waschmaschine herausgefunden und nach Lieferung der Kohlen beheben können. Die Lieferzeit war zwar etwas länger als angegeben (4 Tage statt 1-2) und hilfreich wäre sicher auch gewesen, zu wissen, wie ich die Kohlen vom Kabel trenne, dennoch bin ich sehr zufrieden.
Ganevs
Ganevs vor 3 Monaten
Hätte nicht erwartet, für einen ü20 Jahre alten Backofen von Bauknecht noch passende Ersatzteile zu bekommen. Bin hier fündig geworden, das Ersatzteil (Bedieneinheit) passt, der Backofen hat keine Macken mehr. Top! Versand und Kommunikation auch sehr gut! Danke!
Mehr ansehen >
Trustpilot
Trustpilot Rating
Hervorragend
4.9/5.00