Kontaktformular
Whatsapp
Warenkorb
Hamburger Icon

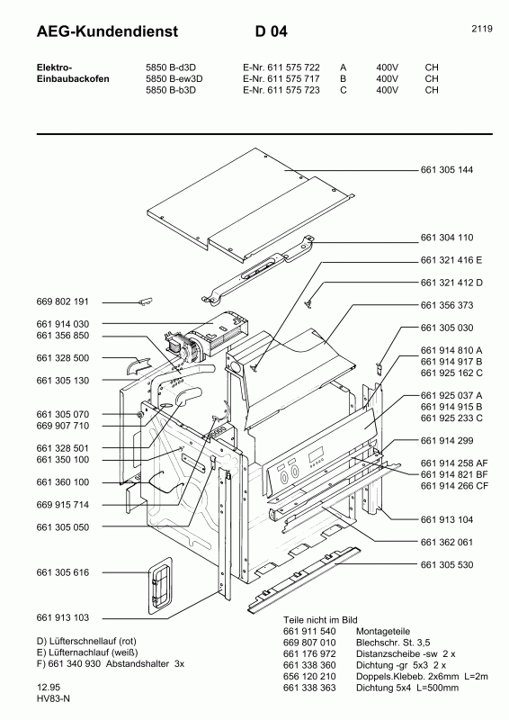
Ersatzteile für AEG Competence 5850 B D 3 D CH (61157572200)

Marke
AEG
Modell
Competence 5850 B D 3 D CH
Modellnummer
61157572200
Kategorie
Herd
Position data Position number Product category ids
Lampe E14 40W wie BOSCH 00057874 45mmØ 76mm 220/230V Kugelform universal für Backofen Mikrowelle
367945
Lampe E14 40W 45mmØ 75mm 220/230V Kugelform bis 300°C Universal für Backofen

Diese Speziallampe ist zur Raumbeleuchtung im Haushalt nicht geeignet.
Passend u.a. wie BSH-Gruppe 00057874 , Electrolux-Konzern 5027989000/3 , Miele 1929380 , Küppersbusch 503768
- Lichtstrom: 360 lumen
- mittlere Lebensdauer: 1000 h
- gewichteter Energieverbrauch: 40 kwh / 1000h
- dimmbar: Nein
- Lichtfarbe: Klar
- Werte: 40 Watt, 220/230 Volt
- Sockel: Gewinde E 14 (= 14 mm Außen-Ø)
- Sockellänge: 26 mm
- Glaskörper Ø: 45 mm
- Gesamtlänge: 75 mm
- Farbe: klar

Für erhöhte Umgebungstemperaturen (max. 300° C).
Kugellampe, u.a. auch als Kühlschranklampe verwendbar.

Hinweis zur Nutzung als Kühlschranklampe:
Wattzahl im Ersatzfall nicht erhöhen, wenn z. B. 10 Watt eingebaut, nicht 15 oder 25 Watt verwenden.
Führt zu Hitzeschäden an der Abdeckung für die Beleuchtung. Zum Teil brennt zur Unterstützung bei einigen Geräten während des Schaltzyklusses "Abtauen" die Innenraumbeleuchtung als Wärmequelle (statt der Abtauheizung). Lampe
5be304e4b1264abb899df2e434e01a2c,436592444c584ad1b5a679fc5ac3ef73,b78a4fd07db244319a0e959320868b6f,a496cae5aab04ab1805e57e29910f752
Backblech AEG 140100943038 für Backofen
10103670
Backblech AEG 140100943038 für Backofen

Dieses emaillierte Backofenblech ist u.a. auch passend wie Küppersbusch 527031
Es ist in Backöfen, in Kombigeräten wie Herden mit Mikrowellenfunktion sowie Gasherden eingesetzt. Backblech
5be304e4b1264abb899df2e434e01a2c,436592444c584ad1b5a679fc5ac3ef73,b78a4fd07db244319a0e959320868b6f,44b60e12d7e44d109093f31ace120433
Backblech hoch AEG 3870288200 425x360x43mm für Backofen Herd 3870288101 3870288598
154755
Backblech hoch AEG 387028820/0 425x360x43mm Fettpfanne emailliert

Passend u.a. auch wie Küppersbusch 527026

Dieses Ersatzteil passt exakt wie das Vorgänger-Teil mit der Herstellernummer 3870288101, 3870288598

Backblech
5be304e4b1264abb899df2e434e01a2c,436592444c584ad1b5a679fc5ac3ef73,b78a4fd07db244319a0e959320868b6f,44b60e12d7e44d109093f31ace120433
Dichtungsstreifen für Backofenrahmen (8996613383638)
356524
Dichtung,Dichtung
5be304e4b1264abb899df2e434e01a2c,436592444c584ad1b5a679fc5ac3ef73,af6babb93db042e7b7fb7a417eca6410,b78a4fd07db244319a0e959320868b6f,06d81baa854849889a4cd139590da1f5,8a591e395d7a4bf7bd2c3fca81ae2d8c
Backblech hoch AEG 387028810/1 425x360x43mm Fettpfanne emailliert
173862
Backblech hoch AEG 387028810/1 425x360x43mm Fettpfanne emailliert

Backblech
5be304e4b1264abb899df2e434e01a2c,436592444c584ad1b5a679fc5ac3ef73,b78a4fd07db244319a0e959320868b6f,44b60e12d7e44d109093f31ace120433
Lampenabdeckungsdichtung 899661282910 AEG, Electrolux, Juno, Zanussi
154530
Dichtungsring für Lampenabdeckung AEG 8996612829102 in Backofen

Dieser dehnbare Dichtring ersetzt ggfs. die eingebaute "starre" Fiberdichtung. Dichtung,Dichtung,Lampe
5be304e4b1264abb899df2e434e01a2c,436592444c584ad1b5a679fc5ac3ef73,af6babb93db042e7b7fb7a417eca6410,b78a4fd07db244319a0e959320868b6f,06d81baa854849889a4cd139590da1f5,8a591e395d7a4bf7bd2c3fca81ae2d8c,a496cae5aab04ab1805e57e29910f752
Tastenkappe AEG 899661360085/8 schwarz für Backofenuhr Herd
158028
Tastenkappe AEG 899661360085/8 schwarz für Backofenuhr Herd

Passend als Ersatz für nicht mehr lieferbare Gummikappen Electrolux-Konzern 899661300990/2 in weiß und 899661300085/1 in silber. Drehknopf,Knöpfe
5be304e4b1264abb899df2e434e01a2c,436592444c584ad1b5a679fc5ac3ef73,af6babb93db042e7b7fb7a417eca6410,b78a4fd07db244319a0e959320868b6f,81ee7b4ec1d34ce0b532b6e33613cf7c,d14c4d0e1daa4eba95c751e02fbbcdf6
Knebelfeder AEG 899661301300/3 Blattfeder 12x7,5mm für Drehgriff Backofen
155184
Knebelfeder AEG 899661301300/3 Original Blattfeder 12x7,5mm für Drehgriff Backofen Kochplatte Herd

OT: OriginalTeil Electrolux-Konzern/AEG.. 899661301300/3 Sitzt der Knebel nicht fest auf der Achse und springt bei Benutzung wieder ab, wird diese Feder zur besseren Fixierung in die Innenachse des Knebels gesteckt. Bedienknebel,Drehknopf,Knöpfe
5be304e4b1264abb899df2e434e01a2c,436592444c584ad1b5a679fc5ac3ef73,c8ad32137fb34e3c899397ddeb15abcf,af6babb93db042e7b7fb7a417eca6410,b78a4fd07db244319a0e959320868b6f,814109399fc44df98189c35e3125c804,81ee7b4ec1d34ce0b532b6e33613cf7c,d14c4d0e1daa4eba95c751e02fbbcdf6
Backblech AEG 3870287202 426x361x23mm für Backofen Herd
154668
Backblech AEG 3870287202 425x360x23mm für Backofen Herd

Dieses emaillierte Backofenblech mit einer inneren Randhöhe von 20 mm ist u.a. auch passend wie Küppersbusch 527031
Es ist in Backöfen, in Kombigeräten wie Herden mit Mikrowellenfunktion sowie Gasherden eingesetzt. Backblech
5be304e4b1264abb899df2e434e01a2c,436592444c584ad1b5a679fc5ac3ef73,b78a4fd07db244319a0e959320868b6f,44b60e12d7e44d109093f31ace120433
Fleischthermometerbuchse für Backöfen (3051761017)
348406
Sondensockel, 3-polig 3051761017

Thermometer
5be304e4b1264abb899df2e434e01a2c,d72d57d019ea4181a37d780bae1c4db6,a8c1cd6ba3904b2188cdfbd89df24a62,eb4db123efc748baa76d85cc204a7420
Scharnierträger-Distanzscheibe für Backofentüren (8996698084333)
356895
Drehknopf,Scharnier,Türscharnier,Backofenscheibe
5be304e4b1264abb899df2e434e01a2c,436592444c584ad1b5a679fc5ac3ef73,b78a4fd07db244319a0e959320868b6f,af6babb93db042e7b7fb7a417eca6410,a8bdd0494f7842e48075eed014b9e19d,6eb1b2ea01de457eaa61b071d760d41f,81ee7b4ec1d34ce0b532b6e33613cf7c,957af8cd1b5942e08ad8114c03aaa211,b7fdf7edd42c40a79fafe8cda321d077
Schraube Vni Fla.LI.BL.3,5X9 (8996698070100)
356885
Gehäuseteile
5be304e4b1264abb899df2e434e01a2c,436592444c584ad1b5a679fc5ac3ef73,b78a4fd07db244319a0e959320868b6f,0f403b441d5e454e854b225f1dde6454
Fleischthermometer Electrolux 305176021/7 für Backofen
348405
Fleischthermometer Electrolux 305176021/7 für Backofen

Thermometer,Sondersortiment
5be304e4b1264abb899df2e434e01a2c,47067e90b5dc4b1d9f40bc3cdd7c85c3,5645d8a4adcc4742bc16d5bb750ff4a4,64376972a70f493b92312b4e450aebaf,e243176d6ad44d0bb3b9451538958bee
Knebel AEG 8996613042739 für Herd
356495
Knebel AEG 8996613042739 für Herd

Bedienknebel,Drehknopf,Knöpfe
5be304e4b1264abb899df2e434e01a2c,436592444c584ad1b5a679fc5ac3ef73,c8ad32137fb34e3c899397ddeb15abcf,af6babb93db042e7b7fb7a417eca6410,b78a4fd07db244319a0e959320868b6f,814109399fc44df98189c35e3125c804,81ee7b4ec1d34ce0b532b6e33613cf7c,d14c4d0e1daa4eba95c751e02fbbcdf6
Abdeckung für Fleischthermometerbuchse, für Backöfen (3304797008)
348978
Thermometer
5be304e4b1264abb899df2e434e01a2c,d72d57d019ea4181a37d780bae1c4db6,a8c1cd6ba3904b2188cdfbd89df24a62,eb4db123efc748baa76d85cc204a7420
Spannband, Kabelhalter, 98MMX2 (5614823101)
355189
Gehäuseteile
5be304e4b1264abb899df2e434e01a2c,436592444c584ad1b5a679fc5ac3ef73,b78a4fd07db244319a0e959320868b6f,0f403b441d5e454e854b225f1dde6454
Fleischthermometerbuchse für Backöfen 3051761017 Originalersatzteil von AEG
10032404

Fleischthermometerbuchse für Backöfen 3051761017 Originalersatzteil von AEG

Originalteil von AEG Fleischthermometerbuchse für Backöfen 3051761017

Electrolux ungepflegt
5be304e4b1264abb899df2e434e01a2c,2191fbdc920b4a25af306eb17d62adc0,c56d9a32f06b426584727cb2b08a0cf8
D7981B4.2X9.5 (8997604019306)
357031
Gehäuseteile
5be304e4b1264abb899df2e434e01a2c,436592444c584ad1b5a679fc5ac3ef73,275b77c77344470ea771c19b8b2780c9,6f364c83e8954316926998e24fee04f5
ersatzteilshop.de
4.9
Trustpilot Rating
basierend auf 8445 zertifizierten Bewertungen von zufriedenen Kunden
powered by Google and Trustpilot
Heinz-Werner Engels
Heinz-Werner Engels vor 2 Wochen
Super schnelle Lieferung des so viel preisgünstigeren Alternativ-Ersatzteils. Austausch gut geklappt. Das Ventil passt einwandfrei, eine gute und günstige Reparatur unserer alten Waschmaschine. Meine Frau ist wieder happy.
Bernd Ungethüm
Bernd Ungethüm vor einer Woche
Sehr schnelle und gute Lieferung. Kohlefilter mit Rahmen 00460478 passt perfekt zu Unterbauhaube von Bosch DHS 630S entgegen der Aussage im Onlineshop. Bin sehr zufrieden. Paket kam leider vor der Versandinformationen. Aber besser so als Umgekehrt. Werde mir noch 2 reine Kohlefilter bestellen. Firma ist sehr empfehlenswert.
Alexander W.
Alexander W. vor 2 Monaten
Es muss nicht immer alles aus dem Amazonas kommen. Auf der Suche nach einer neuen Laugenpumpe für meine Waschmaschine bin ich auf den Ersatzteilshop aufmerksam geworden. Produktnummern, Modelle, etc. wurden gut sortiert und übersichtlich aufgeführt, sodass ich selbst als Laie mit hoher Zuverlässigkeit ein passendes Ersatzteil auswählen konnte. Der Versand lief reibungslos und schnell mit DHL. Bereits nächsten Tag kam das Paket und die Waschmaschine läuft wieder. Ich bin sehr zufrieden und freue mich, dass so ein tolles Angebot sogar aus meiner Heimat kommt. Hätte ich das vorher gesehen, wäre ich einfach persönlich vorbei gekommen. 🤣 Danke für euer tolles Angebot.
S. B.
S. B. vor 2 Wochen
Super! Dank Tutorials und genauen Beschreibungen, wie ich das exakt richtige Ersatzteil bekomme habe ich den Fehler an der Waschmaschine herausgefunden und nach Lieferung der Kohlen beheben können. Die Lieferzeit war zwar etwas länger als angegeben (4 Tage statt 1-2) und hilfreich wäre sicher auch gewesen, zu wissen, wie ich die Kohlen vom Kabel trenne, dennoch bin ich sehr zufrieden.
Ganevs
Ganevs vor 3 Monaten
Hätte nicht erwartet, für einen ü20 Jahre alten Backofen von Bauknecht noch passende Ersatzteile zu bekommen. Bin hier fündig geworden, das Ersatzteil (Bedieneinheit) passt, der Backofen hat keine Macken mehr. Top! Versand und Kommunikation auch sehr gut! Danke!
Mehr ansehen >
Trustpilot
Trustpilot Rating
Hervorragend
4.9/5.00